EasyManua.ls Logo

Siemens SINAMICS G120 - Fig. 3-61 2800 - Parameter manager

Siemens SINAMICS G120
924 pages
To Next Page IconTo Next Page
To Next Page IconTo Next Page
To Previous Page IconTo Previous Page
To Previous Page IconTo Previous Page
Loading...
3 Function diagrams
3.9 Safety Integrated Basic Functions
SINAMICS G120 Control Units CU240B-2/CU240E-2
630 List Manual (LH11), 01/2016, A5E33839529
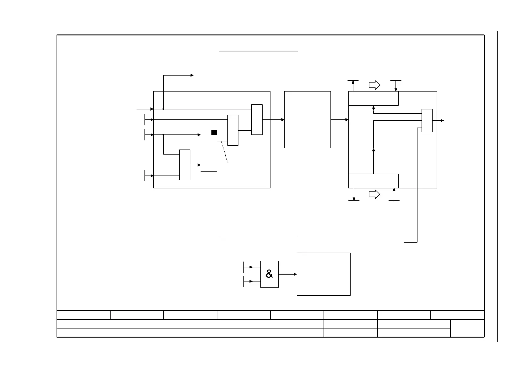
Fig. 3-61 2800 – Parameter manager
- 2800 -
Function diagram
87654321
fp_2800_97_63.vsd
Safety Integrated Basic Functions
G120 CU240E-2
09.12.2015 V4.7.6
Parameter Manager
x
y
=
=
SET
y = x
=
=
&
&
SI act chksm P1
r9798
Changing safety parameters
Resetting safety parameters
Safety parameterizing
enable
Checksum check
for safety
parameters
Safety parameters
(except of the
password) can be
reset to the factory
settings via p0970,
p3900.
Safety parameters
can be changed.
Effective password
Enter password
Safety Integrated commissioning
p0010 = 95
Safety parameters
are valid.
p0010 95
Exit safety
commissioning
mode
Inhibit safety functions
SI password inp
p9761
SI setp_chksm P1
p9799
SI act_chksm P2
r9898
SI setp_chksm P2
p9899
SI enable fct P2
p9801 = 0
[2810.1]
SI password new
p9762
SI ackn password
p9763
SI enable fct P1
p9601 = 0
[2810.1]
Safety commissioning mode
[2802.1], [2810.3]
--> select STO

Table of Contents

Other manuals for Siemens SINAMICS G120

Related product manuals