EasyManua.ls Logo

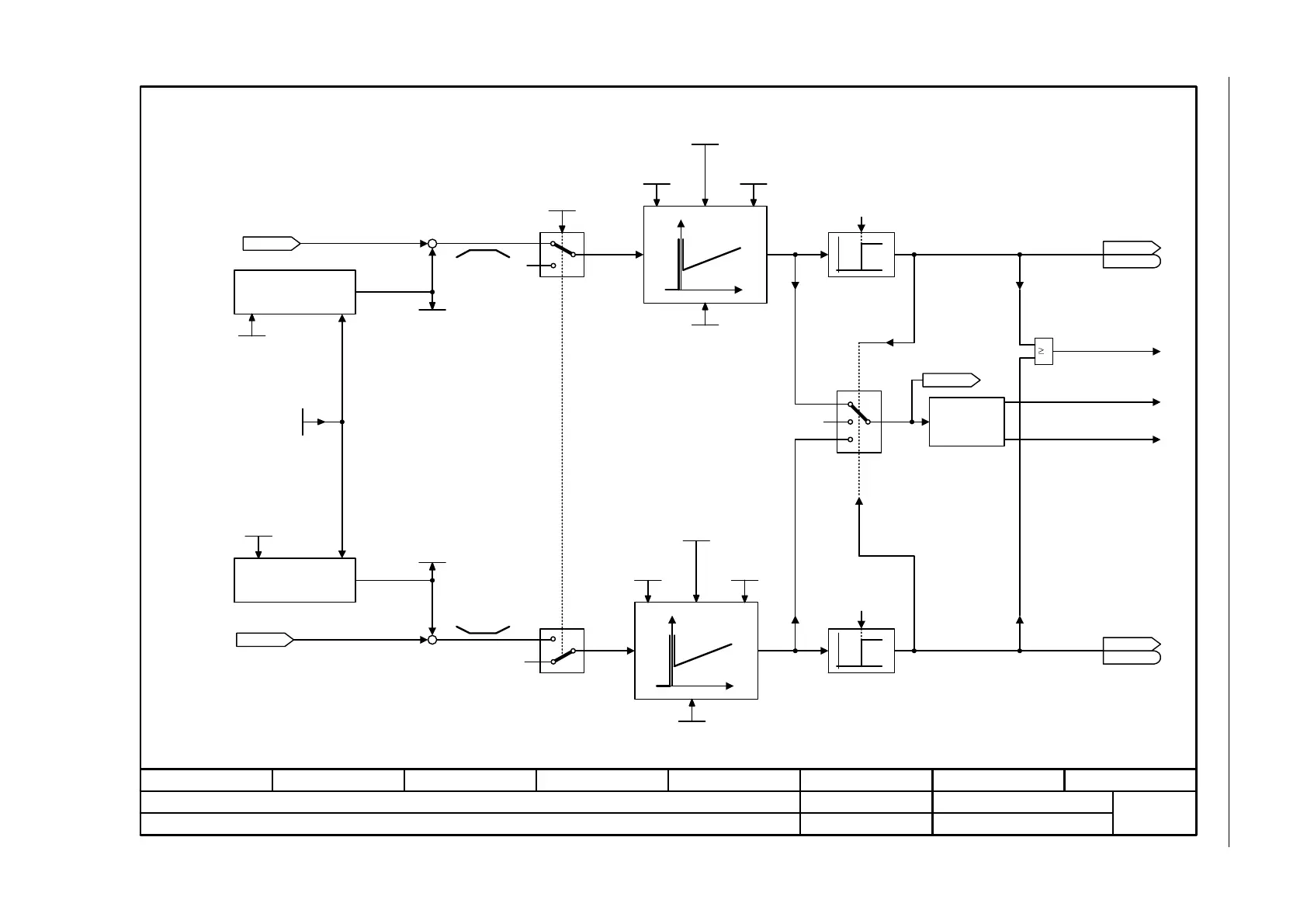
Siemens SINAMICS G120 - Fig. 3-126 6827 - Vdc_max controller and Vdc_min controller (p0096 = 2)

Siemens SINAMICS G120
924 pages
To Next Page IconTo Next Page
To Next Page IconTo Next Page
To Previous Page IconTo Previous Page
To Previous Page IconTo Previous Page
Loading...
SINAMICS G120 Control Units CU240B-2/CU240E-2
List Manual (LH11), 01/2016, A5E33839529
701
3 Function diagrams
3.15 Vector control, Dynamic Drive Control (p0096 = 2)
Fig. 3-126 6827 – Vdc_max controller and Vdc_min controller (p0096 = 2)
- 6827 -
Function diagram
87654321
fp_6827_97_52.vsd
Vector control, Dynamic Drive Control
G120 CU240B/E-2
09.12.2015 V4.7.6
Vdc_max controller and Vdc_min controller (p0096 = 2)
0
1
1,3
0,2
0
1
0
Iq_max
[6832.1]
Iq_min
[6832.1]
[6832.1]
1
0
0
2,3
0,1
[2526.2]
[2526.2]
0
0
0
0
Calculate on_level
r0070
Vdc act val [V]
Vdc_max on_level [V]
r1242
U_connect
1 ... 63000 [V]
p0210 (400)
Vdc_min on_level [V]
r1246
r0070
Vdc act val [V]
r1258
Vdc_ctrl output [Arms]
Operating point
selection
Vdc controller active
r0056
r0056
.14
r0056
r0056
Calculate on_level
Vdc_max (Vector control)
Vdc_min (Vector control)
+
+
.15
Vdc_max SenseOnLev
p1254
Vdc_ctrl t_rate
p1252 [D]
Vdc_ctrl Kp
p1250 [D]
Vdc_ctrl Tn
p1251 [D]
Vdc_ctrl t_rate
p1252 [D]
Vdc_ctrl Kp
p1250 [D]
Vdc_ctrl Tn
p1251 [D]
Vdc_max dyn_factor
p1243 [D]
Vdc_min dyn_factor
p1247 [D]
Vdc ctr config vec
p1240 [D]
Vdc_min on_level
p1245 [D]
1 = Vdc_max controller active
1 = Vdc_min controller active

Table of Contents

Other manuals for Siemens SINAMICS G120

Related product manuals