EasyManua.ls Logo

Siemens SINAMICS G120 - Fig. 3-123 6823 - Moment of inertia estimator (p0096 = 2)

Siemens SINAMICS G120
924 pages
To Next Page IconTo Next Page
To Next Page IconTo Next Page
To Previous Page IconTo Previous Page
To Previous Page IconTo Previous Page
Loading...
3 Function diagrams
3.15 Vector control, Dynamic Drive Control (p0096 = 2)
SINAMICS G120 Control Units CU240B-2/CU240E-2
698 List Manual (LH11), 01/2016, A5E33839529
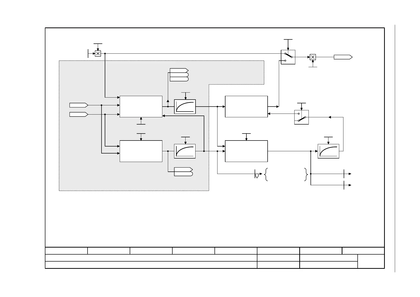
Fig. 3-123 6823 – Moment of inertia estimator (p0096 = 2)
- 6823 -
Function diagram
87654321
fp_6823_97_56.vsd
Vector control, Dynamic Drive Control
G120 CU240B/E-2
09.12.2015 V4.7.6
Moment of inertia estimator (p0096 = 2)
J_est M pos [Nm]
p1563 [D] (0.00)
r1493
M_inert tot scal [kgm²]
1
0
r0080
M_act [Nm]
J_est t J
p1561 [D]
Mot M_mom of inert
p0341 [D]
Mot MomInert Ratio
p0342 [D]
J_est M thresh
p1560 [D]
J_est t load
p1562 [D]
J_est config
p5310 [D]
J_est const pos
p5313 [D]
J_est lin pos
p5312 [D]
J_prectrl t J
p5316 [D]
a_prectrl scal
p1496 [D]
[6822.4]
ZSW n_ctrl
r1407
r1407
r1407.26
ZSW n_ctrl
r1407
r1407
.24
.25
Moment of inertia
estimator
Load torque
estimator
Cyclic calculation of
the coefficients
1 = moment of inertia estimator active
1 = moment of inertia estimator stabilized
1 = load estimator active
Moment of inertia
calculation
1 = moment of inertia estimator active
n_ctrl config
p1400 [D]
.18
Only for initialization
Basic function
Possible bit combinations p5310:
Bit 1, 0
= 0, 0 --> Function not active.
= 0, 1 --> Cyclic calculation of the coefficients without moment of inertia precontrol (commissioning).
= 1, 0 --> Moment of inertia precontrol activated (without cyclic calculation of the coefficients).
= 1, 1 --> Moment of inertia precontrol activated (with cyclic calculation of the coefficients).
<1>
Active for p5310.0 = 1
Positive direction of
rotation
<1>
<2>
<2> p1564, p5314 and p5315 for negative direction of rotation.
r0063
n_act [rpm]
0
1
J_est config
p5310 [D]
1 = moment of inertia precontrol activated
.1
<1>

Table of Contents

Other manuals for Siemens SINAMICS G120

Related product manuals