EasyManua.ls Logo

Siemens SINAMICS G120 - Fig. 3-67 2818 - Parameter manager

Siemens SINAMICS G120
924 pages
To Next Page IconTo Next Page
To Next Page IconTo Next Page
To Previous Page IconTo Previous Page
To Previous Page IconTo Previous Page
Loading...
SINAMICS G120 Control Units CU240B-2/CU240E-2
List Manual (LH11), 01/2016, A5E33839529
637
3 Function diagrams
3.10 Safety Integrated Extended Functions
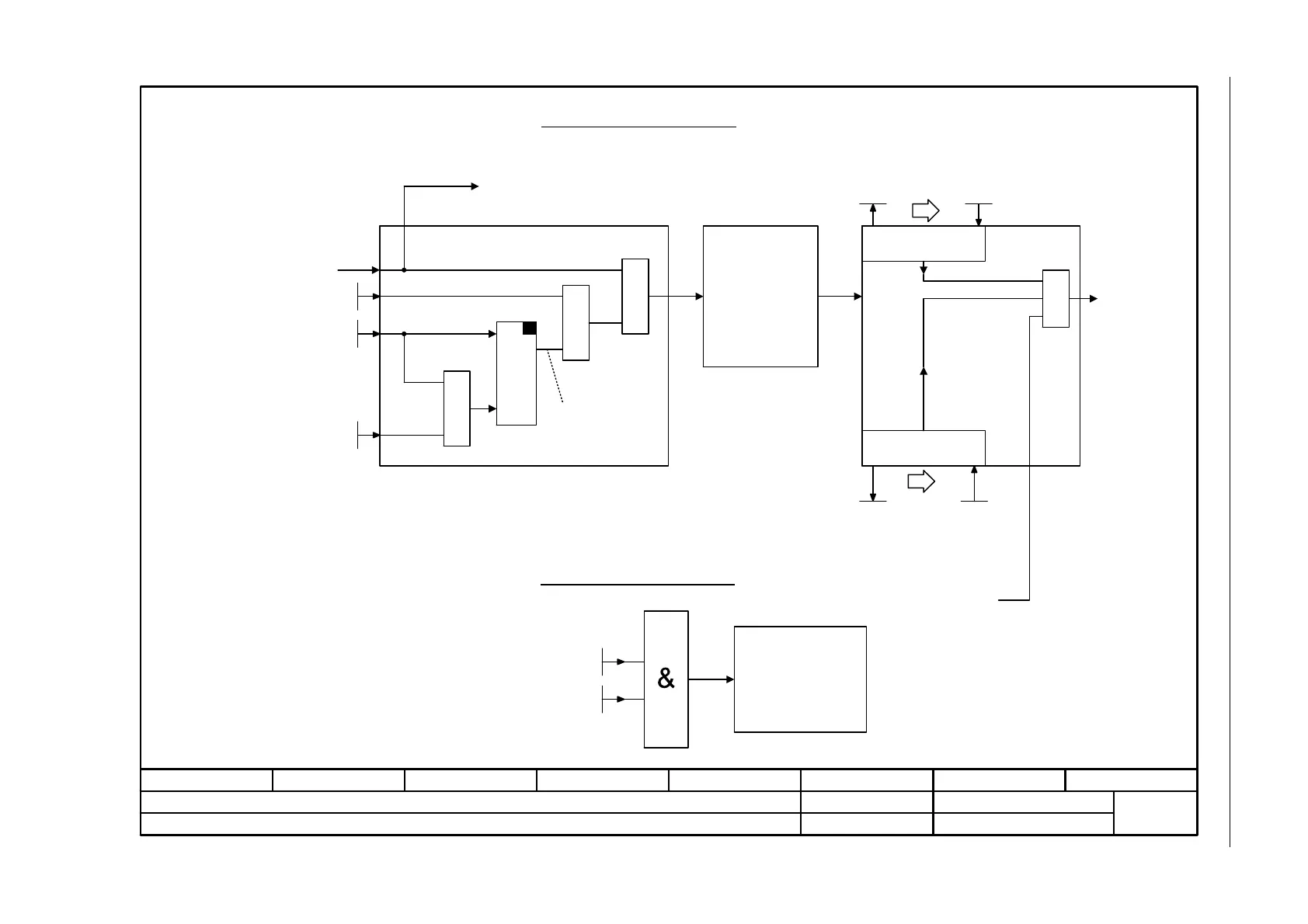
Fig. 3-67 2818 – Parameter manager
- 2818 -
Function diagram
87654321
fp_2818_97_58.vsd
Safety Integrated Extended Functions
CU240E-2_F/DP_F
09.12.2015 V4.7.6
Parameter Manager
x
y
=
=
SET
y = x
=
=
&
&
Changing safety parameters
Resetting safety parameters
Safety parameterizing
enable
Checksum check
for safety
parameters
Safety parameters
(except of the
password) can be
reset to the factory
settings via p0970,
p3900.
Safety parameters
can be changed.
Effective password
Enter password
Safety Integrated commissioning
p0010 = 95
Safety parameters
are valid.
p0010 95
Exit safety
commissioning
mode
Inhibit safety functions
SI password inp
p9761
SI password new
p9762
SI ackn password
p9763
SI Mtn act CRC P1
r9728
SI Mtn setp CRC P1
p9729
SI Mtn act CRC P2
r9398
SI Mtn setp CRC P2
p9399
SI Mtn enable P1
p9501 = 0
SI Mtn enable P2
p9301 = 0
[2810.4]
[2810.4]
Safety commissioning mode
[2802.1], [2810.3]
--> select STO

Table of Contents

Other manuals for Siemens SINAMICS G120

Related product manuals