EasyManua.ls Logo

Siemens SINAMICS G120 - Fig. 3-81 3020 - Motorized potentiometer

Siemens SINAMICS G120
924 pages
To Next Page IconTo Next Page
To Next Page IconTo Next Page
To Previous Page IconTo Previous Page
To Previous Page IconTo Previous Page
Loading...
SINAMICS G120 Control Units CU240B-2/CU240E-2
List Manual (LH11), 01/2016, A5E33839529
653
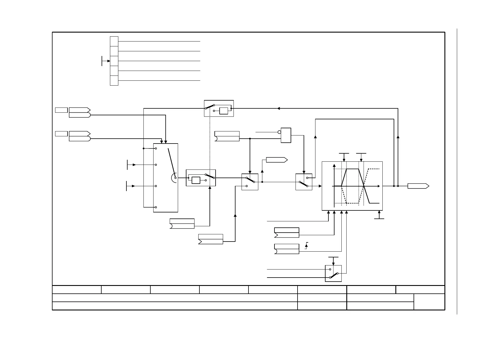
3 Function diagrams
3.12 Setpoint channel
Fig. 3-81 3020 – Motorized potentiometer
- 3020 -
Function diagram
87654321
fp_3020_97_51.vsd
Setpoint channel
G120 CU240B/E-2
09.12.2015 V4.7.6
Motorized potentiometer
-1
0
1
<1>
<1>
1
0
0 0
0 1
1 0
1 1
<3>
<3>
-1
0
1
[3050.8]
x
y
y
p1082
-p1082
x
y = 0
<2> <2>
[2505.7]
&
p1030.1
0
1
Old value is kept
For automatic commissioning, p1037 and p1038 are set to the maximum motor speed (p0322) or to the
rated motor speed (p0311), provided that the maximum motor speed has not been specified.
If initial rounding-off is active (p1030.2 = 1), the selected ramp-up/down times are exceeded
accordingly.
Only effective if p1030.0 = 0.
STW setpoint chan
r1198
r1198
.13
STW setpoint chan
r1198
r1198
(0)
MotP inv
p1039 [C]
Mop auto setpoint
(0)
p1042 [C]
(0)
Mop manual/auto
p1041 [C]
r1045
Mop n_set bef RFG [rpm]
Mop set val
(0)
p1044 [C]
(0)
MotP acc set val
p1043 [C]
Mop ramp-down time
0.000 ... 1000.000 [s]
p1048 [D] (10.000)
Mop ramp-up time
0.000 ... 1000.000 [s]
p1047 [D] (10.000)
e.g. to [3030.1]
r1050
Mop setp after
RFG [rpm]
0
1
0
1
0
1
0
1
0
1
2
3
Data save active
Automatic mode Ramp-function generator active
Initial rounding-off active
Save in NVRAM active
The setpoint for the motorized potentiometer is not saved and after ON is entered using p1040.
The setpoint for the motorized potentiometer is saved in a ashion after OFF and after ON set to the saved value.
Without ramp-function generator in automatic mode (ramp-up/ramp-down time = 0).
With ramp-function generator in automatic mode.
Without initial rounding.
With initial rounding. The ramp-up/down time set is exceeded accordingly.
Not saved in the NVRAM (NVRAM = Non Volatile Random Access Memory).
Save in NVRAM active.
4
0
1
[2634.8]
1: OFF1 enable missing (r0046.0)
0
1
p1030.4
0:
Ramp-function generator is always active
Ramp-up encoder inactive with pulse inhibit.
The ramp-up encoder is calculated independently of the pulse enable.
.14
p1036
[2505.7]
p1035
1 = Motorized potentiometer,
setpoint, raise
1 = Motorized potentiometer,
setpoint, lower
MotP n_min
p1038 [D] (0.000)
MotP n_max
p1037 [D] (0.000)
Mop start value
-210000.000 ... 210000.000 [rpm]
p1040 [D] (0.000)
Reference value for the ramp-
function generator
Mop configuration
p1030 [D] (0000 0110 bin)
<2>
<1>

Table of Contents

Other manuals for Siemens SINAMICS G120

Related product manuals