EasyManua.ls Logo

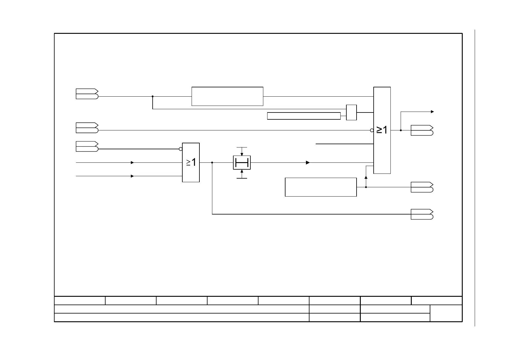
Siemens SINAMICS G120 - Fig. 3-68 2819 - SS1 (Safe Stop 1), internal STOP A, B, F

Siemens SINAMICS G120
924 pages
To Next Page IconTo Next Page
To Next Page IconTo Next Page
To Previous Page IconTo Previous Page
To Previous Page IconTo Previous Page
Loading...
3 Function diagrams
3.10 Safety Integrated Extended Functions
SINAMICS G120 Control Units CU240B-2/CU240E-2
638 List Manual (LH11), 01/2016, A5E33839529
Fig. 3-68 2819 – SS1 (Safe Stop 1), internal STOP A, B, F
- 2819 -
Function diagram
87654321
fp_2819_97_58.vsd
Safety Integrated Extended Functions
CU240E-2_F/DP_F
09.12.2015 V4.7.6
SS1 (Safe Stop 1), Internal STOP A, B, F
STOP F
[2855.4]
T0
&
[2855.5]
[2855.4]
[2810.1]
[2804.1]
STO initiate
[2840.5]
1 = STO or safe pulse
cancellation active
[2810.1]
[2819.1]
[2840.5]
SI Mtn IL t_del P2
0.00 ... 3600000000.00 [µs]
p9356 (600000000.00)
SI Mtn IL t_del P1
0.00 ... 3600000.00 [ms]
p9556 (600000.00)
Actual value speed < p9360/p9560
STO selection because of missing actual
value (pulse suppression)
Safe Acceleration Monitor /
Safe Brake Ramp exceeded
This applies to activation via F-DI (p9601.2 = 1, p9601.3 = 0).
<1>
<1>
<1>
[2858.6]
<2>
[2858.3]
<2>
[2858.3]
<2>
This applies to activation via PROFIsafe (p9601.2 = 1, p9601.3 = 1).
r9722.1
r9722
1 = SS1 active
r9720.0
r9720
1 = STO deselection
r9720.1
r9720
1 = SS1 deselection
r9722.1
r9722
1 = SS1 active
r9772.19
r9772
1 = STO cause: actual
value missing
r9722.0
r9722
<1>
<2>
STOP B
STOP A

Table of Contents

Other manuals for Siemens SINAMICS G120

Related product manuals