EasyManua.ls Logo

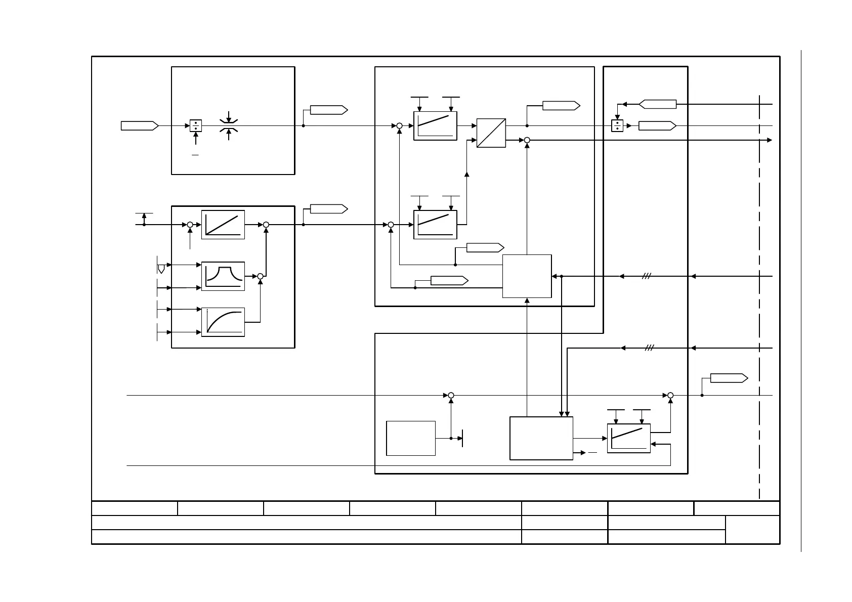
Siemens SINAMICS G120 - Fig. 3-105 6700 - Current control, overview

Siemens SINAMICS G120
924 pages
To Next Page IconTo Next Page
To Next Page IconTo Next Page
To Previous Page IconTo Previous Page
To Previous Page IconTo Previous Page
Loading...
3 Function diagrams
3.13 Vector control
SINAMICS G120 Control Units CU240B-2/CU240E-2
678 List Manual (LH11), 01/2016, A5E33839529
Fig. 3-105 6700 – Current control, overview
- 6700 -
Function diagram
87654321
fp_6700_97_02.vsd
Vector control
G120 CU240B/E-2
09.12.2015 V4.7.6
Current control, overview
+
+
+
+
Iq
M
K
P
p1764 p1767
+
+
+
+
+
[6020.2]
[6020.1]
[6722.1]
[6723.4]
[6724.4]
[6710] Current setpoint filter
Field weakening
controller
Field weakening
characteristic
Current calculation
[6722] Field weakening characteristic, Id setpoint (ASM, p0300 = 1)
[6723] Field weakening control, flux controller for induction motors
(ASM, p0300 = 1)
[6724] Field weakening controller (PMSM, p0300 = 2)
n_pre-control
n_model
Iq controller
Id controller
[6714] Current controller
Transformation
Current model Motor model
[6730] Interface to the Power Module for an induction motor (p0300 = 1)
[6731] Interface to the Power Module for a synchronous motor (p0300 = 2)
I_phase actual value
V_phase actual value
U_output max [Vrms]
r0071
r0075
Id_set [Arms]
r0078
Iq_act [Arms]
r0076
Id_act [Arms]
r0072
U_output [Vrms]
r0070
Vdc act val [V]
r0074
Mod_depth [%]
r0066
f_outp [Hz]
r0077
Iq_set [Arms]
M_set static
-200.0 ... 200.0 [%]
p1610 [D] (50.0)
M_suppl_accel
0.0 ... 200.0 [%]
p1611 [D] (30.0)
I_ctrl Kp
p1715
I_ctrl Tn
p1717
I_ctrl Kp
p1715
I_ctrl Tn
p1717
f_Slip [Hz]
r0065
Flex setp
50.0 ... 200.0 [%]
p1570 [D] (100.0)
V_set
Value range and/or factory setting depend on Power Module.<1>
<1>
Efficiency opt.
0 ... 100 [%]
p1580 [D] (80)
Iq
M
[6020.8]
r0079
M_set [Nm]
+
+
+
U_angle
U_set

Table of Contents

Other manuals for Siemens SINAMICS G120

Related product manuals