EasyManua.ls Logo

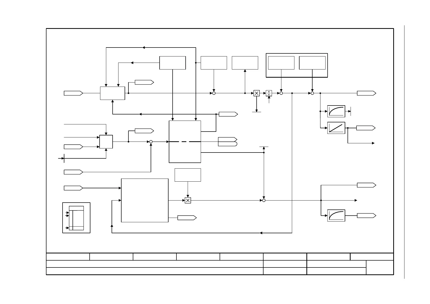
Siemens SINAMICS G120 - Fig. 3-97 6300 - U;f control, overview

Siemens SINAMICS G120
924 pages
To Next Page IconTo Next Page
To Next Page IconTo Next Page
To Previous Page IconTo Previous Page
To Previous Page IconTo Previous Page
Loading...
3 Function diagrams
3.13 Vector control
SINAMICS G120 Control Units CU240B-2/CU240E-2
670 List Manual (LH11), 01/2016, A5E33839529
Fig. 3-97 6300 – U/f control, overview
Imax closed-loop
frequency control
p1340 ... p1341
Imax closed-loop
voltage control
p1345 ... p1346
- 6300 -
Function diagram
87654321
fp_6300_97_56.vsd
Vector control
G120 CU240B/E-2
09.12.2015 V4.7.6
U/f control, overview
[6310]
[6320]
[3001.8]
[8016.8]
[6730.4]
[6714.8]
[6730.1]
[6731.1]
60
[6301.8]
100 ms
100 ms
[3060]
[3070]
[3080]
MIN
r0056
.
.
.
[2526]
Ramp-function
generator
I_max reduction
I_max PM
f_set
r1119
RFG setp at inp [rpm]
r1170
n_ctrl setp sum [rpm]
I_max_ctrl U_outp [Vrms]
r1344
Mot PolePairNo act
r0313 [D]
r0066
f_outp [Hz]
r0094
Transformat_angle [°]
f_outp smooth [Hz]
r0024
r0025
U_outp smooth [Vrms]
r0072
U_output [Vrms]
Vdc_ctrl config
p1280
Flying restart
mode
p1200
Speed actual
value calculation
Slip
compensation
p1334, p1335
Uf Res_damp
gain
p1338
Soft starting
p1350
Control mode
p1300
V_boost perm
p1310
[6301]
ZSW cl-loop ctrl
r0056
r0056
.13
PU P_rated [kW]
r0206
[2]
<1>
r1348
U/f Eco fac act v [%]
r1343
I_max_ctrl f_outp [rpm]
r0067
I_outp max [Arms]
r0082
P_act [kW]
[0]
r0068
I_act abs val [Arms]
[0]
V_boost accelerate
p1311
V_boost starting
p1312
Eco mode
[6799.8]
+
+
+
+
+
+
+
+
+
V_set
[6310]
[6310.8] [6310.4]
U_angle
[6730.1]
r0077
Iq_set [Arms]
PM250, PM260: The current limit is calculated out of r0206[2] in generative operation.<1>

Table of Contents

Other manuals for Siemens SINAMICS G120

Related product manuals