EasyManua.ls Logo

Siemens SINAMICS G120 - Fig. 3-73 2850 - Fail-safe digital inputs (F-DI 0... F-DI 2)

Siemens SINAMICS G120
924 pages
To Next Page IconTo Next Page
To Next Page IconTo Next Page
To Previous Page IconTo Previous Page
To Previous Page IconTo Previous Page
Loading...
SINAMICS G120 Control Units CU240B-2/CU240E-2
List Manual (LH11), 01/2016, A5E33839529
643
3 Function diagrams
3.10 Safety Integrated Extended Functions
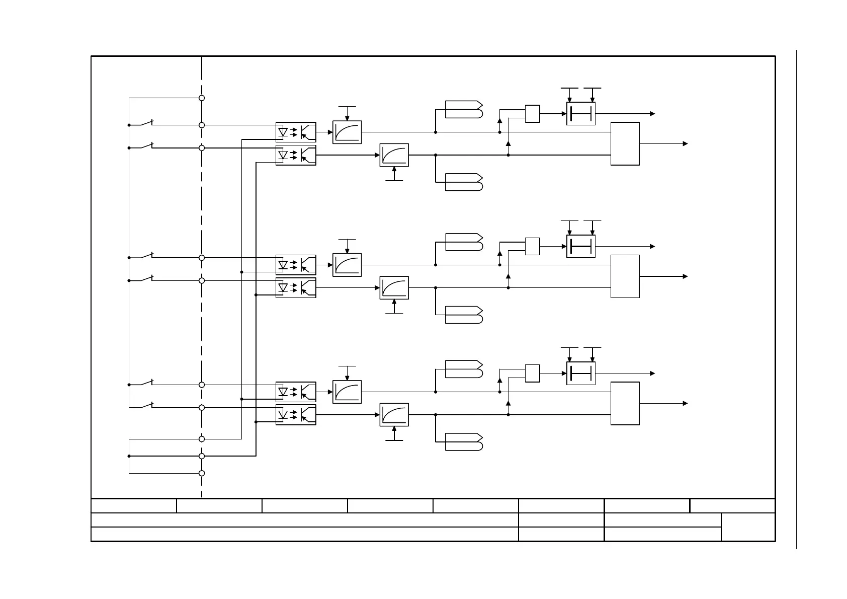
Fig. 3-73 2850 – Fail-safe digital inputs (F-DI 0 ... F-DI 2)
- 2850 -
Function diagram
87654321
fp_2850_97_02.vsd
Safety Integrated Extended Functions
CU240E-2_F/DP_F
09.12.2015 V4.7.6
Fail-safe digital inputs (F-DI 0 … F-DI 2)
DI 5Kl. 17
GNDKl. 28
DI 4Kl. 16
&
DI COMKl. 69
F-DI 2
[2855.1]
T0
=1
SI Mtn DI chg t P1
1.00 ... 2000.00 [ms]
p10002 (500.00)
SI DI status P1
r10051
r10051
SI DI status P2
r10151
r10151
SI Mtn F-DI t P2
1.00 ... 2000.00 [ms]
p10102 (500.00)
SI DI t_debounceP1
0.00 ... 100.00 [ms]
p10017 (1.00)
SI DI t_debounceP2
0.00 ... 100.00 [ms]
p10117 (1.00)
DI 3Kl. 8
DI 2Kl. 7
&
F-DI 1
[2855.1]
T0
=1
SI Mtn DI chg t P1
1.00 ... 2000.00 [ms]
p10002 (500.00)
SI DI status P1
r10051
r10051
SI DI status P2
r10151
r10151
SI Mtn F-DI t P2
1.00 ... 2000.00 [ms]
p10102 (500.00)
SI DI t_debounceP1
0.00 ... 100.00 [ms]
p10017 (1.00)
SI DI t_debounceP2
0.00 ... 100.00 [ms]
p10117 (1.00)
+24V OUT
Kl. 9
DI 1
Kl. 6
DI 0
Kl. 5
&
F-DI 0
[2855.1]
T0
=1
SI Mtn DI chg t P1
1.00 ... 2000.00 [ms]
p10002 (500.00)
SI DI status P1
r10051
r10051
SI DI status P2
r10151
r10151
SI Mtn F-DI t P2
1.00 ... 2000.00 [ms]
p10102 (500.00)
SI DI t_debounceP1
0.00 ... 100.00 [ms]
p10017 (1.00)
SI DI t_debounceP2
0.00 ... 100.00 [ms]
p10117 (1.00)
DI COM2Kl. 34
F-DI 0
F-DI 1
F-DI 2
“Discrepancy error“
.2
.2
.1
.1
.0
.0
C01770
“Discrepancy error“
C01770
“Discrepancy error“
C01770
F-DI: Fail-safe Digital Input

Table of Contents

Other manuals for Siemens SINAMICS G120

Related product manuals