EasyManua.ls Logo

Siemens SINAMICS G120 - Fig. 3-95 6060 - Torque setpoint

Siemens SINAMICS G120
924 pages
To Next Page IconTo Next Page
To Next Page IconTo Next Page
To Previous Page IconTo Previous Page
To Previous Page IconTo Previous Page
Loading...
3 Function diagrams
3.13 Vector control
SINAMICS G120 Control Units CU240B-2/CU240E-2
668 List Manual (LH11), 01/2016, A5E33839529
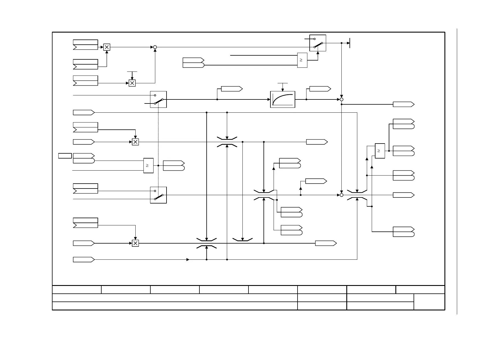
Fig. 3-95 6060 – Torque setpoint
1 = Torque limiting, lower,
active
- 6060 -
Function diagram
87654321
fp_6060_97_53.vsd
Vector control
G120 CU240B/E-2
09.12.2015 V4.7.6
Torque setpoint
1
p1300 = M
Reg
0
1
0
[6640.8]
[6030.1]
[6710.1]
[8012.1]
[2522.3]
[6030.6]
[6640.8]
[2522.3]
[2522.3]
+
+
+
+
[2520.7]
p1501
+
+
[6030.1]
[6722.1]
0
1
0
1
[6490.7]
<1>
<1><1> <2><2>
[6630.8]
[6630.8]
[6031.8]
1
[2526.2]
<3>
M_suppl 1
(0)
p1511 [C]
M_suppl 1 scal
(0)
p1512 [C]
M_suppl 2 scal
-2000.0 ... 2000.0 [%]
p1514 [D] (100.0)
M_suppl 2
(0)
p1513 [C]
Calculated accelerating torque
r1538
M_max upper eff [Nm]
STW n_ctrl
r1406
r1406
.12
M_set
(0)
p1503 [C]
1 = Torque control
M_set from the speed controller
r1539
M_max lower eff [Nm]
STW seq_ctrl
r0898
r0898
.12
The signal is only effective after magnetization has been
completed (r0056.4 = 1).
No pre-control if the Vdc controller is active [6220.8].
Acceleration control is inhibited for p1517 = 100 ms.
p1400.14 1 = Torque pre-control
1 = Speed controller enable
r1518
M_accel [Nm]
[0]
r1407
r1407
.2
M_accel T_smooth
0.00 ... 100.00 [ms]
p1517 [D] (4.00)
r1518
M_accel [Nm]
[1]
r1407
r1407
.8
r1508
M_set bef. M_suppl [Nm]
r1407
r1407
.9
M_suppl total [Nm]
r1515
r1516
M_suppl + M_accel [Nm]
r0056
r0056
.13
r1407
r1407
.7
r0079
M_set [Nm]
r1407
r1407
.9
Torque
limiting
[2501.7]
<4>
M_set is also influenced by the speed limit controller.
r1526
M_max up w/o offs [Nm]
r1527
M_max low w/o offs [Nm]
r1547
M_max outp n_ctrl [Nm]
[0]
r1547
M_max outp n_ctrl [Nm]
<5>
<5>
The connection to the source for the torque setpoint is
estabished automatically via the setting in p1500.
r1407
r1407
M_max low w/o offs
(1)
p1554 [C]
M_max up w/o offs
(1)
p1552 [C]
[6040.8]
[1]
.15
<1>
<2>
<3> <5>
<4>
0
1
1 = Torque limiting, upper,
active
1 = Torque limiting, lower, active
1 = Torque limit reached
(without pre-control)
[2522.3]
[2522.3]
[2522.3]
r1407
r1407
.8
1 = Torque limiting, upper,
active
1 = Torque limit reached
1 = Current/torque limiting
active
1 = Closed-loop torque
control active

Table of Contents

Other manuals for Siemens SINAMICS G120

Related product manuals