EasyManua.ls Logo

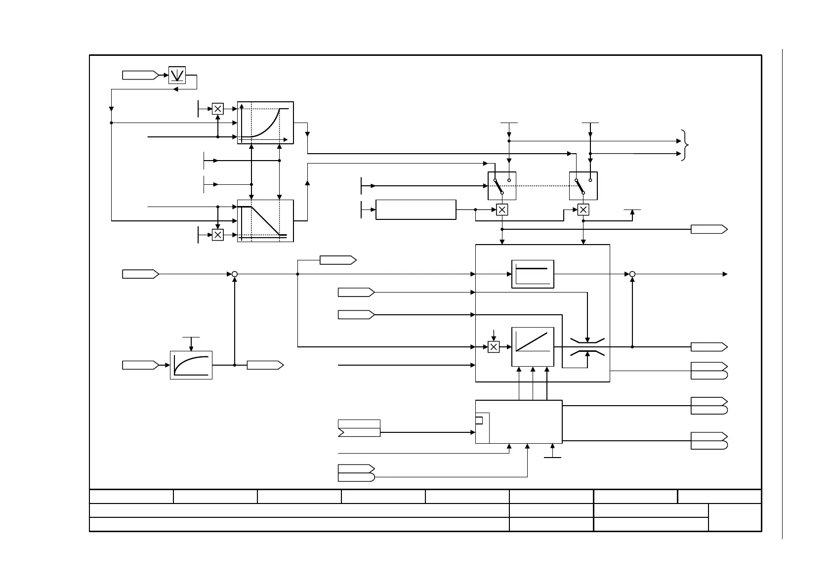
Siemens SINAMICS G120 - Fig. 3-124 6824 - Speed controller with Kp_n;Tn_n adaptation (p0096 = 2)

Siemens SINAMICS G120
924 pages
To Next Page IconTo Next Page
To Next Page IconTo Next Page
To Previous Page IconTo Previous Page
To Previous Page IconTo Previous Page
Loading...
SINAMICS G120 Control Units CU240B-2/CU240E-2
List Manual (LH11), 01/2016, A5E33839529
699
3 Function diagrams
3.15 Vector control, Dynamic Drive Control (p0096 = 2)
Fig. 3-124 6824 – Speed controller with Kp_n/Tn_n adaptation (p0096 = 2)
ZSW n_ctrl
r1407
r1407
- 6824 -
Function diagram
87654321
fp_6824_97_56.vsd
Vector control, Dynamic Drive Control
G120 CU240B/E-2
09.12.2015 V4.7.6
Speed controller with Kp_n/Tn_n adaptation (p0096 = 2)
[6822.8] [6826.1]
Kp_n_basic
Tn_n_basic
Tn_n_adapt
1 01 0
Kp_n_adapt
[6490.6]
Hold Set
Set
Val
[2522.7]
[2522.3]
[2522.3]
Kp
<1>
Tn
Kp
Kp
[6828.8]
[6828.8]
[2522.3]
[6490.6]
n_ctrl config
p1400
.5
1 = Kp/Tn adaptation active
n_ctrl config
p1400
.0
1 = Automatic Kp/Tn adaptation active
Dynamic reduction, field
weakening
r0064
n_ctrl sys dev [rpm]
r1438
n_ctrl n_set [rpm]
r1445
n_act smooth [rpm]
r0063
n_act [rpm]
n_C n_act T_s SL
0.00 ... 32000.00 [ms]
p1452 [D] (10.00)
r1538
M_max upper eff [Nm]
r1539
M_max lower eff [Nm]
Enable speed controller
from sequence control S4: Operation
.7
For p1472 = 0.0 s or 100.0 s, the I component is
disabled (integral action time = infinite).
1 = Torque limit reached
Integrator control
Speed controller
To Kp/Tn adaptation
n_ctrl SL Kp
0.000 ... 999999.000
p1470 [D] (0.300)
n_ctr Tn eff [ms]
r1469
M_set from speed controller
1 = Speed controller active
ZSW n_ctrl
r1407
r1407
.5
1 = Speed controller, I component set
ZSW n_ctrl
r1407
r1407
.6
ZSW n_ctrl
r1407
r1407
.3
r1482
n_ctrl I-M_outp [Nm]
r1468
n_ctr Kp eff
n_ctrl SL Tn
0.0 ... 100000.0 [ms]
p1472 [D] (20.0)
Torque setting value, speed controller
[6824.1]
1 = Speed controller, I component held
+
Tn
+
+
[6824.8]
[6824.8]
Kp
n
nn
Tn
n
Kp_n_basic
Tn_n_basic
<2>
<2>
r0063
n_act [rpm]
n_ctr Kp n up scal
0.0 ... 200000.0 [%]
p1461 [D] (100.0)
n_ctr Tn n up scal
0.0 ... 200000.0 [%]
p1463 [D] (100.0)
n_ctrl n upper
0.00 ... 210000.00 [rpm]
p1465 [D] (210000.00)
n_ctrl n lower
0.00 ... 210000.00 [rpm]
p1464 [D] (0.00)
[0]
Kp
Tn
Kp
If the lower transition point exceeds the upper transition
point, the Kp-adaptation also changes over.
<2>
[6836.8]
1 = Sensorless vector control, freeze I component
n_ctrl config
p1400
.1
n_ctrl M_sv MHB
(0)
p1475[C]
<1>

Table of Contents

Other manuals for Siemens SINAMICS G120

Related product manuals