EasyManua.ls Logo

Siemens SINAMICS G120 - Fig. 3-103 6630 - Upper;lower torque limit

Siemens SINAMICS G120
924 pages
To Next Page IconTo Next Page
To Next Page IconTo Next Page
To Previous Page IconTo Previous Page
To Previous Page IconTo Previous Page
Loading...
3 Function diagrams
3.13 Vector control
SINAMICS G120 Control Units CU240B-2/CU240E-2
676 List Manual (LH11), 01/2016, A5E33839529
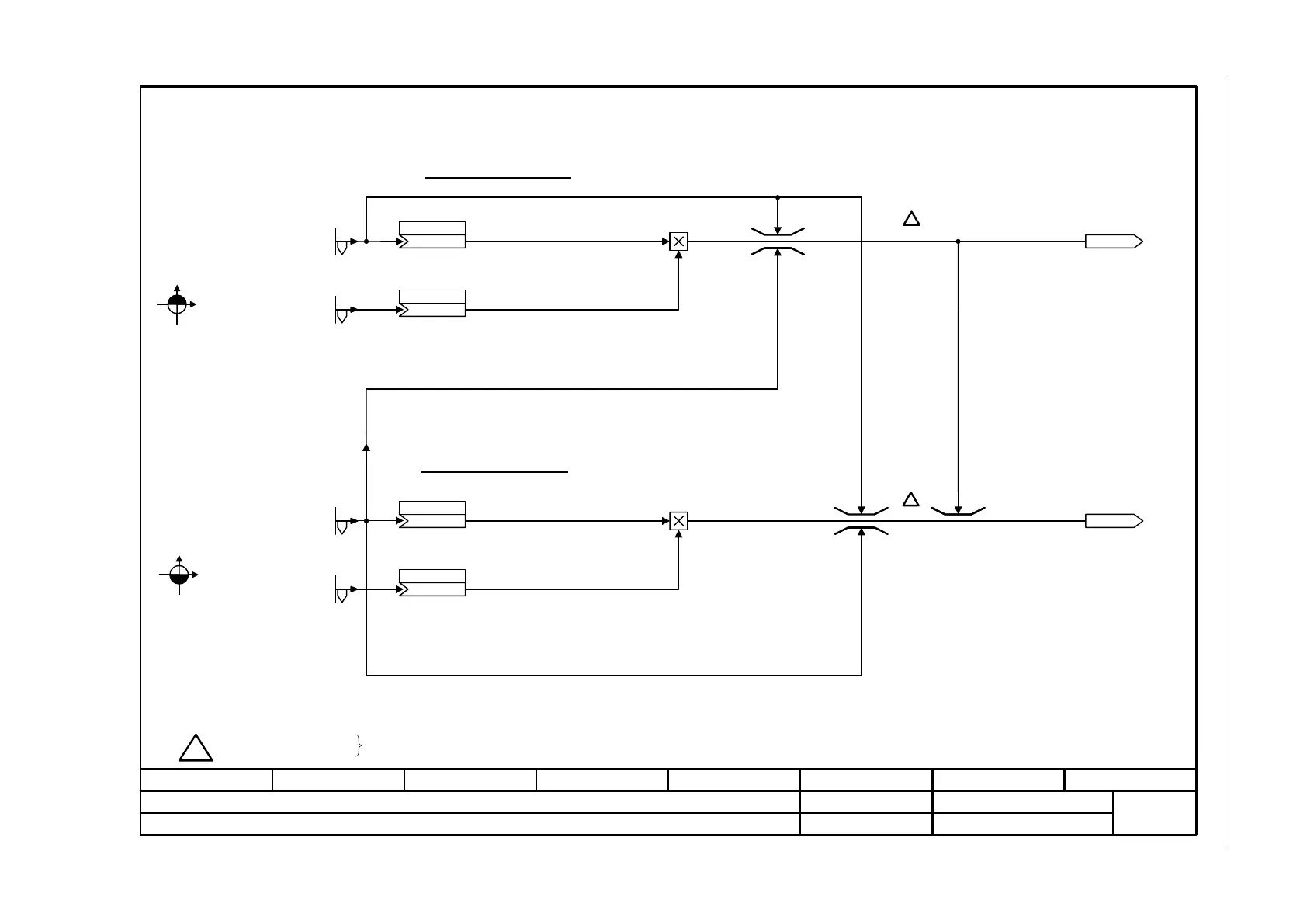
Fig. 3-103 6630 – Upper/lower torque limit
- 6630 -
Function diagram
87654321
fp_6630_97_53.vsd
Vector control
G120 CU240B/E-2
09.12.2015 V4.7.6
Upper/lower torque limit
M
n
43
M
n
21
<1>
!
Upper torque limit
Lower torque limit
Danger: Negative values at <1>
positive values at <2>
represent a minimum torque for the other torque direction and can cause the motor to accelerate uncontrollably.
M_max upper
-1000000.00 ... 20000000.00 [Nm]
p1520 [D] (0.00)
M_max upper
(1520[0])
p1522 [C]
M_max upper scal
(1524[0])
p1528 [C]
M_max lower
(1521[0])
p1523 [C]
M_max lower scal
(1525[0])
p1529 [C]
<2>
!
!
M_max lower
-20000000.00 ... 1000000.00 [Nm]
p1521 [D] (0.00)
M_max lower scal
-2000.0 ... 2000.0 [%]
p1525 [D] (100.0)
M_max upper scal
-2000.0 ... 2000.0 [%]
p1524 [D] (100.0)
r1526
M_max up w/o offs [Nm]
r1527
M_max low w/o offs [Nm]
[6640.1]
[6640.1]
<1>
<2>

Table of Contents

Other manuals for Siemens SINAMICS G120

Related product manuals