EasyManua.ls Logo

Siemens SINAMICS G120 - Fig. 3-94 6050 - Kp_n-;Tn_n adaptation

Siemens SINAMICS G120
924 pages
To Next Page IconTo Next Page
To Next Page IconTo Next Page
To Previous Page IconTo Previous Page
To Previous Page IconTo Previous Page
Loading...
SINAMICS G120 Control Units CU240B-2/CU240E-2
List Manual (LH11), 01/2016, A5E33839529
667
3 Function diagrams
3.13 Vector control
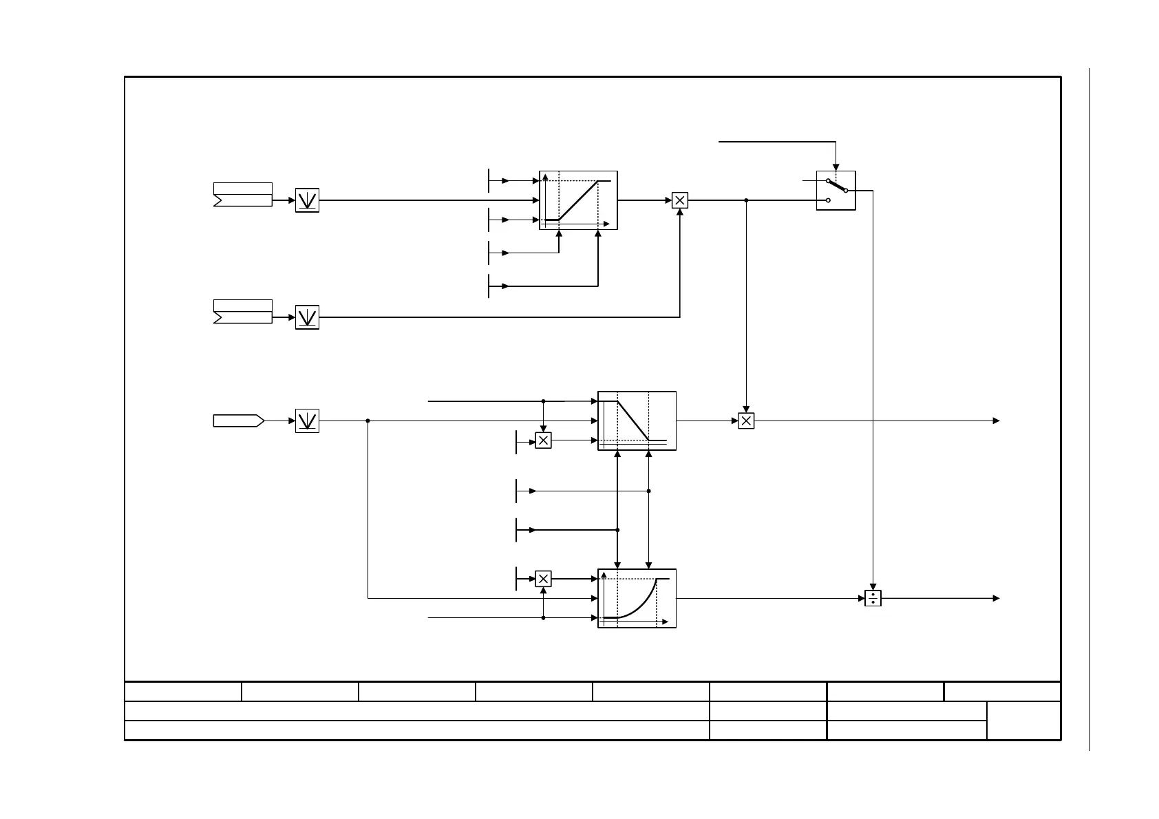
Fig. 3-94 6050 – Kp_n-/Tn_n adaptation
- 6050 -
Function diagram
87654321
fp_6050_97_02.vsd
Vector control
G120 CU240B/E-2
09.12.2015 V4.7.6
Kp_n/Tn_n adaptation
[6040.8]
Tn_n_adapt
y
x
[6040.8]
Kp
n
Kp_n_adapt
x
n
n
Tn
n
Kp_n_basic (p1470)
Tn_n_basic (p1472)
1
1
0
<1>
<1>
<1>
<1>
[6490.7]
Free Kp_n adaptation
Speed-dependent Kp_n/Tn_n adaptation
Free Tn adaptation active (p1400.6)
To the speed controller
[6040.4]
Adapt_factor upper
0.0 ... 200000.0 [%]
p1459 [D] (100.0)
n_ctrl AdaptKpLow
0.00 ... 400.00 [%]
p1456 [D] (0.00)
n_ctrl AdaptKp up
0.00 ... 400.00 [%]
p1457 [D] (0.00)
n_ctr adapt_sig Kp
(0)
p1455 [C]
n_ctrl Kp scal
(1)
p1466 [C]
r0063
n_act [rpm]
[0]
n_ctr Kp n up scal
0.0 ... 200000.0 [%]
p1461 [D] (100.0)
n_ctr Tn n up scal
0.0 ... 200000.0 [%]
p1463 [D] (100.0)
n_ctrl n upper
0.00 ... 210000.00 [rpm]
p1465 [D] (210000.00)
n_ctrl n lower
0.00 ... 210000.00 [rpm]
p1464 [D] (0.00)
To the speed controller
[6040.4]
Adapt_factor lower
0.0 ... 200000.0 [%]
p1458 [D] (100.0)
Kp
Tn
If the lower transition point exceeds the upper transition point, the Kp-adaptation also changes over.<1>

Table of Contents

Other manuals for Siemens SINAMICS G120

Related product manuals