EasyManua.ls Logo

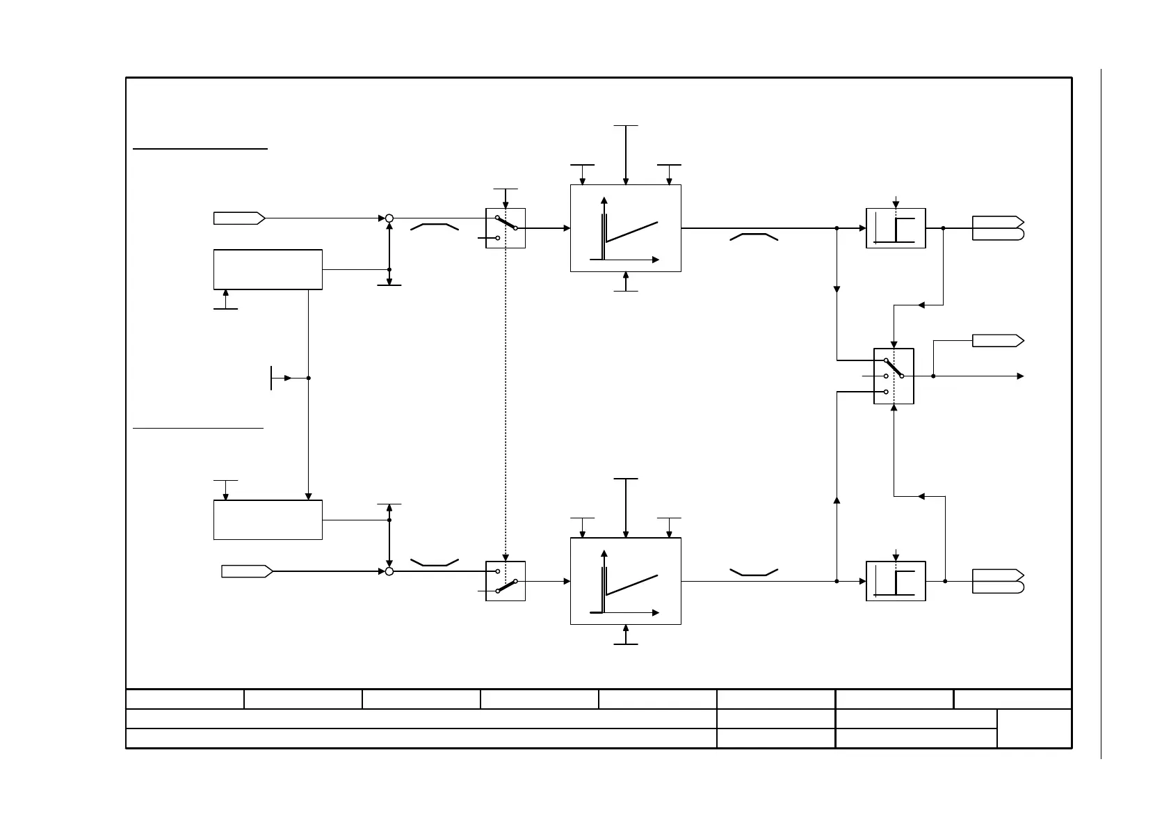
Siemens SINAMICS G120 - Fig. 3-118 6854 - Vdc_max controller and Vdc_min controller (U;f) (p0096 = 1)

Siemens SINAMICS G120
924 pages
To Next Page IconTo Next Page
To Next Page IconTo Next Page
To Previous Page IconTo Previous Page
To Previous Page IconTo Previous Page
Loading...
3 Function diagrams
3.14 Vector control, Standard Drive Control (p0096 = 1)
SINAMICS G120 Control Units CU240B-2/CU240E-2
692 List Manual (LH11), 01/2016, A5E33839529
Fig. 3-118 6854 – Vdc_max controller and Vdc_min controller (U/f) (p0096 = 1)
- 6854 -
Function diagram
87654321
fp_6854_97_56.vsd
Vector control, Standard Drive Control
G120 CU240B/E-2
09.12.2015 V4.7.6
Vdc_max controller and Vdc_min controller (U/f) (p0096 = 1)
0
1
1,3
0,2
0
1
0
0
0
2,3
0,1
0
0
0
0
Calculate on_level
r0070
Vdc act val [V]
Vdc_max on_level [V]
r1282
Vdc_min on_level [V]
r1286
r0070
Vdc act val [V]
r1298
Vdc_ctrl output [rpm]
ZSW cl-loop ctrl
r0056
r0056
ZSW cl-loop ctrl
r0056
r0056
Calculate on_level
0 ... 1
p1280 [D] (1)
Vdc_max (U/f control)
Vdc_min (U/f control)
0
[6850.4]
Vdc_max SenseOnLev
p1294
+
Vdc_ctrl Kp
p1290 [D]
Vdc_ctrl t_rate
p1292 [D]
Vdc_ctrl Tn
p1291 [D]
Vdc_max dyn_factor
p1283 [D]
Vdc_ctrl Kp
p1290 [D]
Vdc_ctrl t_rate
p1292 [D]
Vdc_ctrl Tn
p1291 [D]
Vdc_min dyn_factor
p1287 [D]
U_connect
p0210
Vdc_min on_level
p1285 [D]
+
0
[2526.2]
.15
[2526.2]
.14
Vdc_ctrl config
[6856.1]
[6856.1]

Table of Contents

Other manuals for Siemens SINAMICS G120

Related product manuals