EasyManua.ls Logo

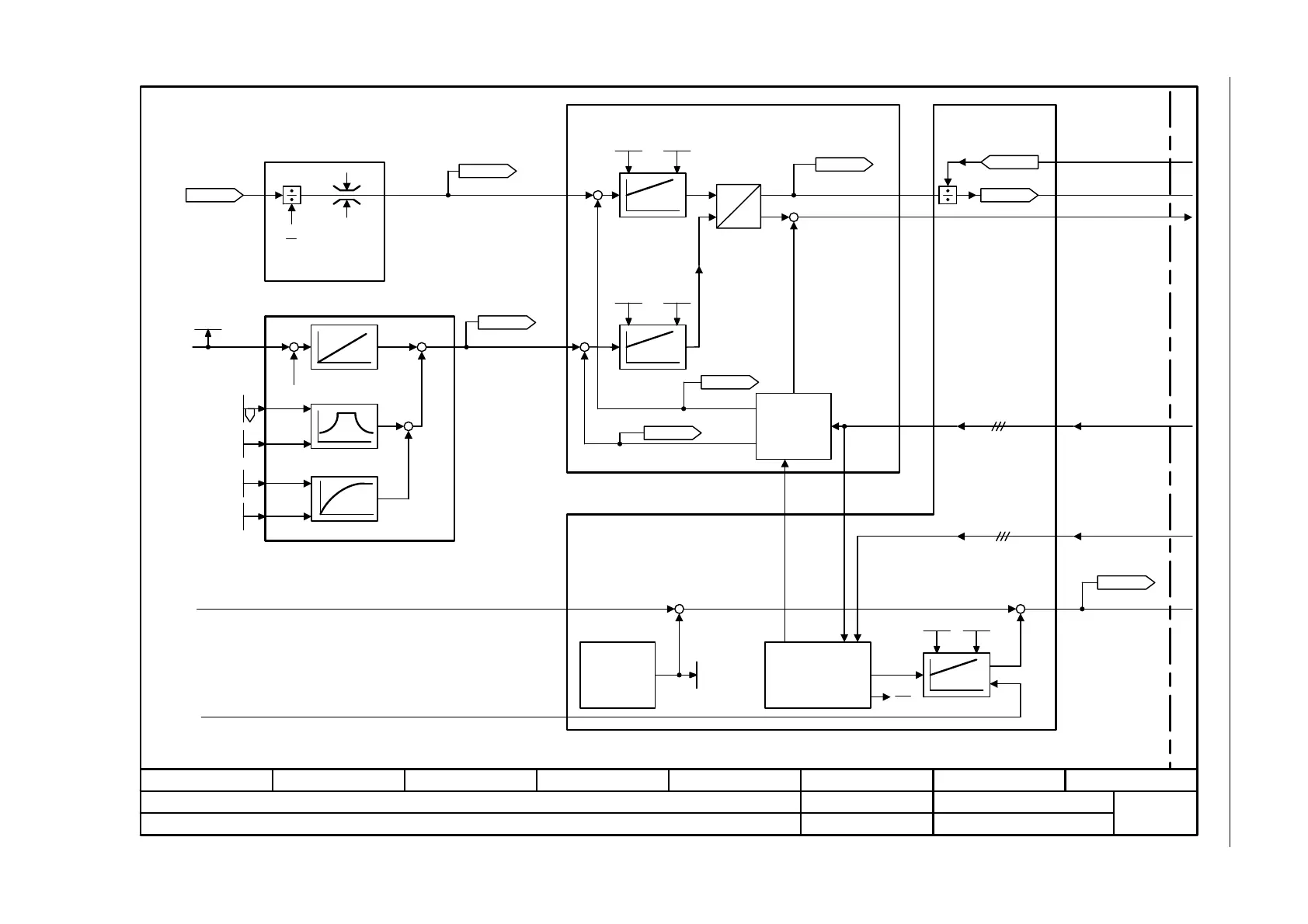
Siemens SINAMICS G120 - Fig. 3-121 6821 - Current control, overview (p0096 = 2)

Siemens SINAMICS G120
924 pages
To Next Page IconTo Next Page
To Next Page IconTo Next Page
To Previous Page IconTo Previous Page
To Previous Page IconTo Previous Page
Loading...
3 Function diagrams
3.15 Vector control, Dynamic Drive Control (p0096 = 2)
SINAMICS G120 Control Units CU240B-2/CU240E-2
696 List Manual (LH11), 01/2016, A5E33839529
Fig. 3-121 6821 – Current control, overview (p0096 = 2)
- 6821 -
Function diagram
87654321
fp_6821_97_56.vsd
Vector control, Dynamic Drive Control
G120 CU240B/E-2
09.12.2015 V4.7.6
Current control (p0096 = 2)
Iq
M
+
+
+
+
Iq
M
K
P
p1764 p1767
+
+
+
+
+
[6820.3]
[6820.8]
[6832] Current setpoint filter
Field weakening
controller
Field weakening
characteristic
Current calculation
[6837] Field weakening characteristic, Id setpoint (ASM, p0300 = 1)
[6838] Field weakening control, flux controller (ASM, p0300 = 1)
[6839] Field weakening controller (PMSM, p0300 = 2)
n_pre-control
n_model
Iq controller
Id controller
Transformation
Current model
Motor model
I_phase actual
value
V_phase actual
value
r0079
M_set [Nm]
U_output max [Vrms]
r0071
r0075
Id_set [Arms]
r0078
Iq_act [Arms]
r0076
Id_act [Arms]
r0072
U_output [Vrms]
r0070
Vdc act val [V]
r0074
Mod_depth [%]
r0066
f_outp [Hz]
r0077
Iq_set [Arms]
M_set static
-200.0 ... 200.0 [%]
p1610 [D] (50.0)
M_suppl_accel
0.0 ... 200.0 [%]
p1611 [D] (30.0)
I_ctrl Kp
p1715
I_ctrl Tn
p1717
I_ctrl Kp
p1715
I_ctrl Tn
p1717
f_Slip [Hz]
r0065
Flex setp
50.0 ... 200.0 [%]
p1570 [D] (100.0)
V_set
<1>
U_angle
U_set
Efficiency opt.
0 ... 100 [%]
p1580 [D] (80)
[6834] Iq and Id controllers
[6841] Interface to the Power Module for an induction motor (p0300 = 1)
[6842] Interface to the Power Module for a synchronous motor (p0300 = 2)
Value range and/or factory setting depend on Power Module.<1>

Table of Contents

Other manuals for Siemens SINAMICS G120

Related product manuals