EasyManua.ls Logo

Siemens SINAMICS G120 - Fig. 3-129 6833 - Iq and Id controller (p0096 = 2)

Siemens SINAMICS G120
924 pages
To Next Page IconTo Next Page
To Next Page IconTo Next Page
To Previous Page IconTo Previous Page
To Previous Page IconTo Previous Page
Loading...
3 Function diagrams
3.15 Vector control, Dynamic Drive Control (p0096 = 2)
SINAMICS G120 Control Units CU240B-2/CU240E-2
704 List Manual (LH11), 01/2016, A5E33839529
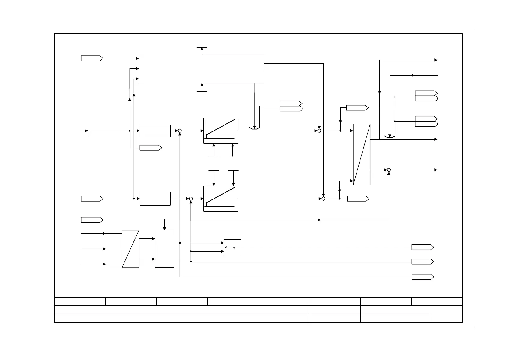
Fig. 3-129 6833 – Iq and Id controller (p0096 = 2)
- 6833 -
Function diagram
87654321
fp_6833_97_56.vsd
Vector control, Dynamic Drive Control
G120 CU240B/E-2
09.12.2015 V4.7.6
Iq and Id controllers (p0096 = 2)
Kp_I Tn_I
22
yx
Kp_I Tn_I
Ia
Ib
VD-
U_max 1
U_soll 1
2
3
[6841.1]
[6842.1]
[6838.1]
[6839.1]
[6838.3]
[6839.3]
[6832.8]
+
+
<2> [6836.8]
<1> [6838.8]
[6799.6]
p
K
[6799.6]
[2526.2]
Pre-control, de-coupling and
limiting
Symmetrizing
Id current controller
Iq current controller
U_set
U_angle
Coordinate converter
Mot L_leak total [mH]
r0377 [D]
Isq_ctr_prectrScal
0.0 ... 200.0 [%]
p1703 [D] (60.0)
ZSW I_ctrl
r1408
r1408
.1
r0075
Id_set [Arms]
r0077
Iq_set [Arms]
I_ctrl Tn
0.00 ... 1000.00 [ms]
p1717 [D] (2.00)
r0076
Id_act [Arms]
r0078
Iq_act [Arms]
ZSW I_ctrl
r1408
r1408
.3
ZSW cl-loop ctrl
r0056
r0056
.9
r0068
I_act abs val [Arms]
Symmetrizing
[0]
r1733[0..1]
Quad U set [Vrms]
r1732[0..1]
Direct U set [Vrms]
[6799.1]
[2530.2]
I_ctrl Kp
0.000 ... 100000.000
p1715 [D] (0.000)
Id_setp total [Arms]
r1624
+
+
+
+
+
+
<1> [6841.1]
<2> [6842.1]
Phase U
Phase V
Phase W
r0094
Transformat_angle [°]
<1> [6841.4]
<2> [6842.4]
<1> [6841.4]
<2> [6842.4]
<1> [6841.4]
<2> [6842.4]
<1>
<2>
<1>
<2>
[6841.1]
[6842.1]
<1>
<2>
<1>
<2>
<1> [6838.5]
<2> [6839.8]
r1598
Flux setp total [%]
[2530.2]
<2>
For induction motors.
For synchronous motors.
<1>

Table of Contents

Other manuals for Siemens SINAMICS G120

Related product manuals