EasyManua.ls Logo

Siemens SINAMICS G120 - Fig. 3-66 2813 - F-DI (Fail-safe Digital Input)

Siemens SINAMICS G120
924 pages
To Next Page IconTo Next Page
To Next Page IconTo Next Page
To Previous Page IconTo Previous Page
To Previous Page IconTo Previous Page
Loading...
SINAMICS G120 Control Units CU240B-2/CU240E-2
List Manual (LH11), 01/2016, A5E33839529
635
3 Function diagrams
3.9 Safety Integrated Basic Functions
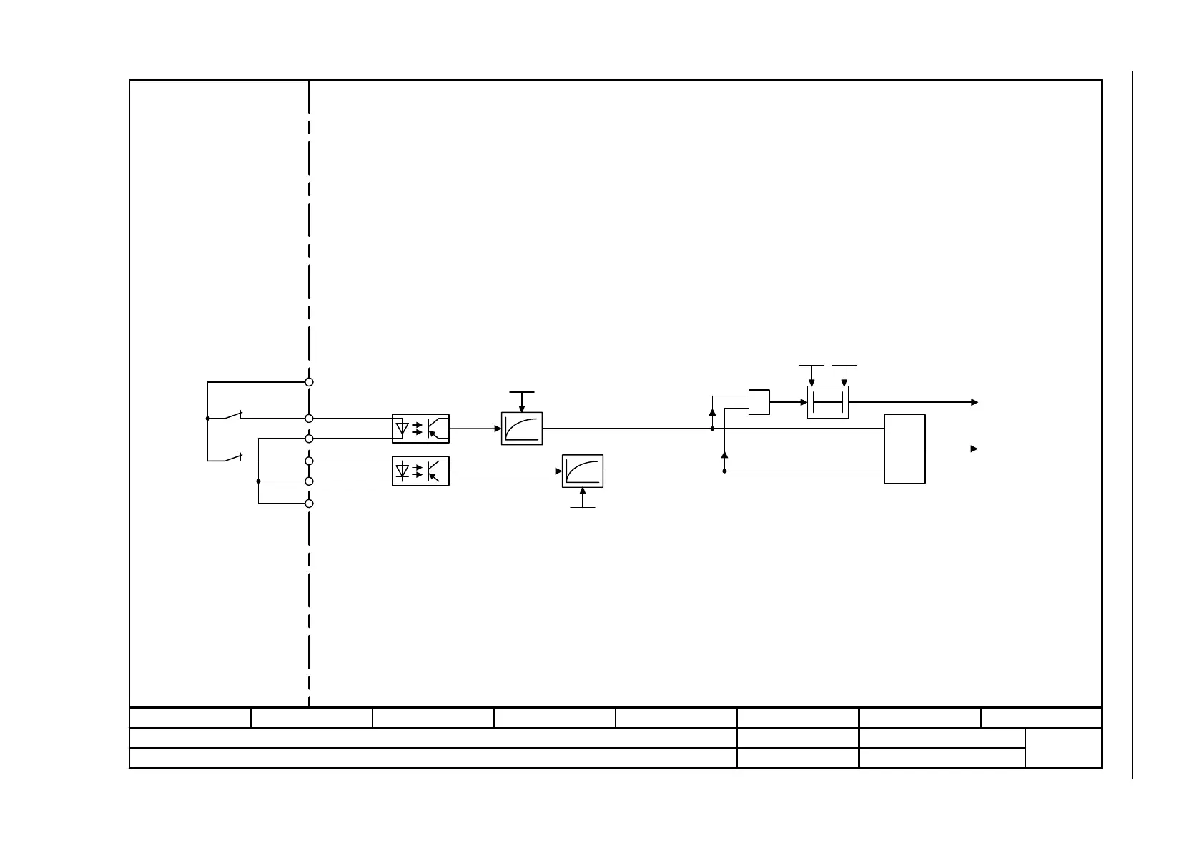
Fig. 3-66 2813 – F-DI (Fail-safe Digital Input)
- 2813 -
Function diagram
87654321
fp_2813_97_02.vsd
Safety Integrated Basic Functions
CU240E-2/E-2_DP
09.12.2015 V4.7.6
F-DI (Fail-safe Digital Input)
&
F-DI 0
=1
SI STO t_debou P1
0.00 ... 100.00 [ms]
p9651 (1.00)
SI STO t_debou P2
0.00 ... 100000.00 [µs]
p9851 (0.00)
T0
SI F-DI chg t P1
0.00 ... 2000.00 [ms]
p9650 (500.00)
SI F-DI chg t P2
0.00 ... 2000000.00 [µs]
p9850 (500000.00)
Kl. 9
Kl. 16
Kl. 69
Kl. 17
Kl. 34
Kl. 28
GND
+24V OUT
DI 4
DI COM
DI 5
DI COM2
[2810.6]

Table of Contents

Other manuals for Siemens SINAMICS G120

Related product manuals