EasyManua.ls Logo

Siemens SINAMICS G120 - Fig. 3-166 8013 - Load monitoring (Part 1)

Siemens SINAMICS G120
924 pages
To Next Page IconTo Next Page
To Next Page IconTo Next Page
To Previous Page IconTo Previous Page
To Previous Page IconTo Previous Page
Loading...
SINAMICS G120 Control Units CU240B-2/CU240E-2
List Manual (LH11), 01/2016, A5E33839529
745
3 Function diagrams
3.19 Signals and monitoring functions
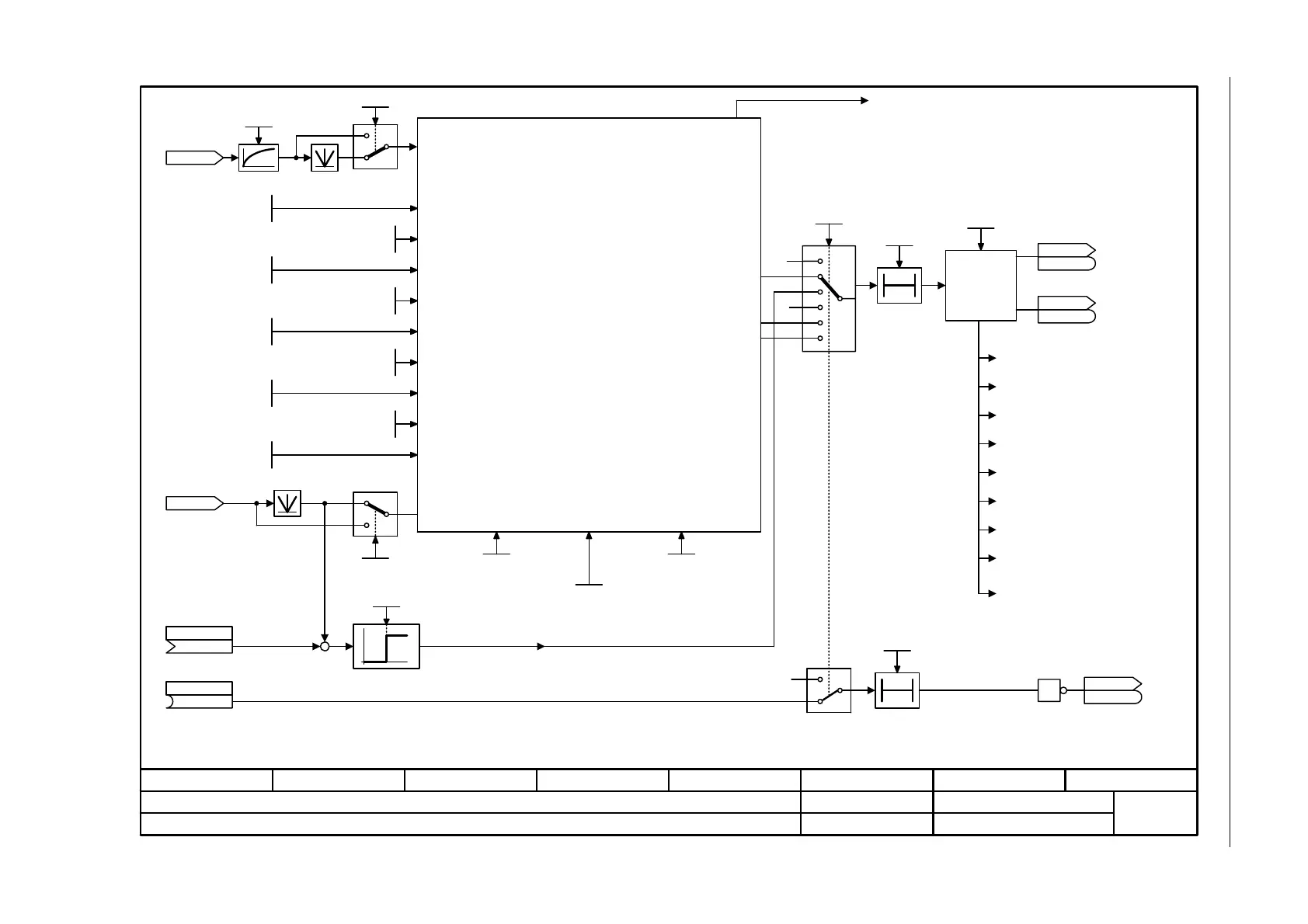
Fig. 3-166 8013 – Load monitoring (Part 1)
- 8013 -
Function diagram
87654321
fp_8013_97_54.vsd
Signals and monitoring functions
G120 CU240B/E-2
09.12.2015 V4.7.6
Load monitoring (part 1)
0T
(0)
(1)
(2)
(3)
(4)
(5)
(6)
0
1
p2149.1
0
1
p2149.1
0
1
The response to these faults can be defined.
A07926 "Envelop characteristic, parameter not valid"
Evaluation
Load monitoring disabled
Torque/speed too low
Torque/speed too high
Torque/speed outside tolerance
Torque/speed too low
Torque/speed too high
Torque/speed outside tolerance
M_thresh 1 upper
0.00 ... 20000000.00 [Nm]
p2185 [D] (10000000.00)
M_thresh 1 lower
0.00 ... 20000000.00 [Nm]
p2186 [D] (0.00)
r2169
n_act smth message [rpm]
Load monit n_act
(0)
p3230 [C]
(1)
Load_moni fail_det
p3232 [C]
Load monit n_dev
p3231
n_thresh 1
0.00 ... 210000.00 [rpm]
p2182 [D] (150.00)
Load monit t_del
0.00 ... 65.00 [s]
p2192 [D] (10.00)
Load monit resp
0 ... 8
p2181 [D] (0)
M_thresh 2 upper
0.00 ... 20000000.00 [Nm]
p2187 [D] (10000000.00)
M_thresh 3 upper
0.00 ... 20000000.00 [Nm]
p2189 [D] (10000000.00)
M_thresh 2 lower
0.00 ... 20000000.00 [Nm]
p2188 [D] (0.00)
M_thresh 3 lower
0.00 ... 20000000.00 [Nm]
p2190 [D] (0.00)
n_thresh 2
0.00 ... 210000.00 [rpm]
p2183 [D] (900.00)
n_thresh 3
0.00 ... 210000.00 [rpm]
p2184 [D] (1500.00)
Load monit config
0 ... 5
p2193 [D] (1)
F07936
Drive: Load loss
0T
Load monit t_del
0.00 ... 65.00 [s]
p2192 [D] (10.00)
r2198
r2198
<2>
Fault evaluation only with p2181 > 0 and p2193 > 0.
M_act_filt T
0 ... 1000000 [ms]
p3233 [D] (100)
r0080
M_act [Nm]
[0]
+
[2536.3]
F07925
F07924
F07923
A07922
A07921
A07920
<1>
1
.12
[2536.3]
[6799.8]
[8010.2]
<1>
<2>
<1>
r2198.11
r2198
1 = Load monitoring signals an
alarm
[2536.3]
r2198.12
r2198
1 = Load monitoring signals a
fault
<1>
1 = Load monitoring
signals a fault
0
0
1
0
1,2,3,4,5
0
3
1
2
4
5
(7)
(8)
Pump/fan load monitoring as alarm
Pump/fan load monitoring as fault
Load characteristics:
[8014] load monitoring (part 2)
A07891 … A07893
F07894 … F07896 <1>
Stall_mon up thr
0.00 ... 210000.00 [rpm]
p2165 [D] (0.00)
Stall_mon M_thresh
0.00 ... 20000000.00 [Nm]
p2168 [D] (10000000.00)
M_thresh no load
0.00 ... 20000000.00 [Nm]
p2191 [D] (0.00)

Table of Contents

Other manuals for Siemens SINAMICS G120

Related product manuals