EasyManua.ls Logo

Siemens SINAMICS G120 - Fig. 3-64 2810 - STO (Safe Torque Off) (Part 1)

Siemens SINAMICS G120
924 pages
To Next Page IconTo Next Page
To Next Page IconTo Next Page
To Previous Page IconTo Previous Page
To Previous Page IconTo Previous Page
Loading...
SINAMICS G120 Control Units CU240B-2/CU240E-2
List Manual (LH11), 01/2016, A5E33839529
633
3 Function diagrams
3.9 Safety Integrated Basic Functions
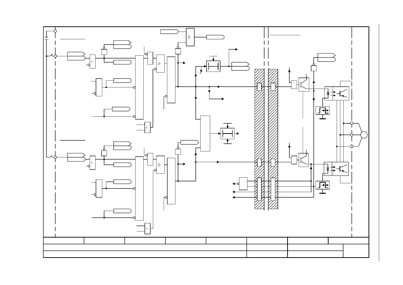
Fig. 3-64 2810 – STO (Safe Torque Off) (Part 1)
- 2810 -
Function diagram
87654321
fp_2810_97_02.vsd
Safety Integrated Basic Functions
CU240E-2/E-2_DP
09.12.2015 V4.7.6
STO (Safe Torque Off) (part 1)
T0
F01611
(P1)
F30611
(P2)
<2>
M
~
U
V
W
1
&
+5 V
+5 V
+24 V
<1>
<3>
<3>
T0
SI FCP Timer
0.00 ... 9000.00 [h]
p9659 (8.00)
SI F-DI chg t P1
0.00 ... 2000.00 [ms]
p9650 (500.00)
Power Module
Timer for forced
checking procedure
A01699
"Shutdown
paths must
be tested"
Upper IGBT
bridge halve
Safe pulse
suppression
Gating unit
Lower IGBT
bridge halve
Gating unit
Shutdown
path from P2
0 = STO_P2
Monitoring for simultaneous occurrence
0 = Request pulse suppression P2
Switch-on delay starts when the "request pulse suppression P1" is withdrawn.
Redundant functions in the Processor 1 (P1) and Processor 2 (P2).
Transistors inhibited for a "0" signal.
1 = "STO active" for
sequence control
Shutdown
path from P1
0 = STO_P1
0 = Request pulse suppression P1
SI F-DI chg t P2
0.00 ... 2000000.00 s]
p9850 (500000.00)
CU DI status
r0722
r0722
1 = STO active on
Control Unit
SI status P1
r9772
r9772
.1
[2804.2]
Control Unit
Processor 2
1 = Shutdown
paths must
be tested
SI status P1+P2
r9773
r9773
=1
1
&
1 = Safety commissioning mode
&
1 = STO cause:
selection PROFIsafe
(Basic Functions)
[2804.4]
1 = STO cause: selection via
motion monitoring functions
[2804.2]
1
p9301.0
PROFIsafe enabled for
Basic Functions
(p9801.2 = 0 and
p9801.3 = 1) (P2)
0 = Select PROFIsafe
via STO
SI enable, functions integrated in the drive (p9801 0)
1 = Enable SOS/SLS
1 = STO
selected on P2
[2802.2]
[2804.4]
SI Status P2
r9872
r9872
1
Enable STO via
terminals (P2)
1
[2804.4]
[2819.8]
[2800.3]
&
1
CU DI status
r0722
r0722
Control Unit
Processor 1
1 = STOP A [2802.8]
&
1
&
&
1 = STO cause:
selection PROFIsafe
(Basic Functions)
[2804.1]
1 = STO cause: selection via
motion monitoring functions
[2804.2]
1
p9501.0
PROFIsafe enabled for
Basic Functions
(p9601.2 = 0 and
p9601.3 = 1) (P1)
0 = Select PROFIsafe
via STO
SI enable, functions integrated in the drive (p9601 0)
1 = Enable SOS/SLS
1 = STO selected on P1
[2802.2]
[2804.4]
SI status P1
r9772
r9772
1
Enable STO via
terminals (P1)
1
[2804.1]
[2819.8]
[2800.3]
&
1
1 = Safety
commissioning mode
1 = STOP A [2802.8]
&
r9772.20
r9772.7
r9772.18
r9872.20
r9872.18
r9872.7
r9772.0
r9872.0
.4
KL. 17
.5
.17
.17
.31
<1>
<2>
<3>
STO initiate
STO initiate
KL. 16
[2802.1]
[2812.5]<4>
DIAG_U
[2802.1] DIAG_L
1
r9772.25
<4>
[2812.6]
[2812.5]
<4>
&
[2812.3]
<4>
&
[2812.3]
<4>
1 = STO cause, selection via
terminal on Power Module
Only for PM240-2 FS D-F.
Power Module Interface
<4>

Table of Contents

Other manuals for Siemens SINAMICS G120

Related product manuals