EasyManua.ls Logo

Siemens SINAMICS G120 - Fig. 3-174 8023 - Monitoring functions 2

Siemens SINAMICS G120
924 pages
To Next Page IconTo Next Page
To Next Page IconTo Next Page
To Previous Page IconTo Previous Page
To Previous Page IconTo Previous Page
Loading...
SINAMICS G120 Control Units CU240B-2/CU240E-2
List Manual (LH11), 01/2016, A5E33839529
753
3 Function diagrams
3.19 Signals and monitoring functions
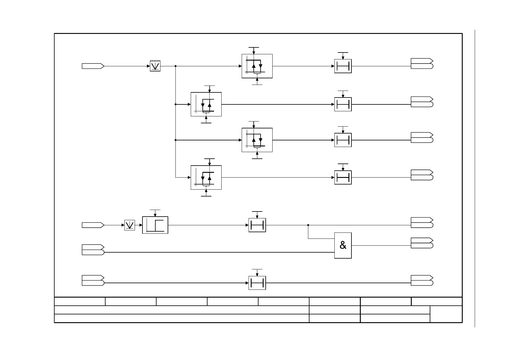
Fig. 3-174 8023 – Monitoring functions 2
- 8023 -
Function diagram
87654321
fp_8023_97_53.vsd
Signals and monitoring functions
G120 CU240B/E-2
09.12.2015 V4.7.6
Monitoring functions 2
0
1
[8010.2]
[6799.8]
[2534.7]
0T
0T
0T
0
1
T0
T0
T0
0
1
[2537.7]
0
1
0
1
r2169
n_act smth message [rpm]
r0080
M_act [Nm]
1 = |n_act| p2157
1 = |n_act| > p2157
1 = |n_act| p2159
1 = |n_act| > p2159
1 = |M_act| > p2174
1 = |M_act| > p2174 and
n_set reached
1 = |n_act| > n_max delay
1 = Ramp-up/ramp-down
completed
1 = |n_act| > n_max
n_thresh val 5
p2157
n_hysteresis 3
p2150
Del compar n_5
p2158
Del compar n_5
p2158
Del compar n_6
p2160
Del compar n_6
p2160
n_thresh val 5
p2157
n_hysteresis 3
p2150
n_thresh val 6
p2159
n_hysteresis 3
p2150
n_thresh val 6
p2159
n_hysteresis 3
p2150
M_thrsh comp T_del
p2176
M_thresh val 1
p2174
Del n > n_max
p2152
[2536.2]
[2536.2]
[2536.2]
[2536.2]
[2536.2]
[2536.2]
[2534.2]
r2198.9
r2198
r2198.13
r2198
r2198.3
r2198
r2198.2
r2198
r2198.1
r2198
r2198.0
r2198
r2197.12
r2197
r2197.6
r2197
r2199.5
r2199

Table of Contents

Other manuals for Siemens SINAMICS G120

Related product manuals