EasyManua.ls Logo

Siemens SINAMICS G120 - Fig. 3-163 8010 - Speed messages 1

Siemens SINAMICS G120
924 pages
To Next Page IconTo Next Page
To Next Page IconTo Next Page
To Previous Page IconTo Previous Page
To Previous Page IconTo Previous Page
Loading...
3 Function diagrams
3.19 Signals and monitoring functions
SINAMICS G120 Control Units CU240B-2/CU240E-2
742 List Manual (LH11), 01/2016, A5E33839529
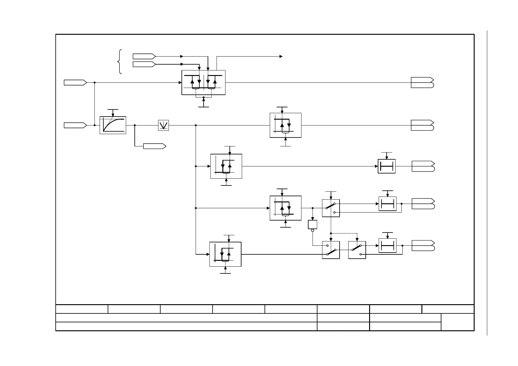
Fig. 3-163 8010 – Speed messages 1
- 8010 -
Function diagram
87654321
fp_8010_97_53.vsd
Signals and monitoring functions
G120 CU240B/E-2
09.12.2015 V4.7.6
Speed signals 1
0
1
[3050.8]
0
1
0
1
0
1
0
1
[2537.3]
T0
[2534.3]
<1>
n
0
From setpoint limiting
F07901 "motor overspeed"
Smoothing
r0063
n_act [rpm]
r0063
n_act [rpm]
r2169
n_act smth message [rpm]
Hyst n_act>n_max
0.00 ... 60000.00 [rpm]
p2162 [D] (0.00)
ZSW monitor 1
r2197
r2197
ZSW monitor 3
r2199
r2199
t_on cmpr val rchd
0.0 ... 10000.0 [ms]
p2156 [D] (0.0)
ZSW monitor 1
r2197
r2197
ZSW monitor 1
r2197
r2197
ZSW monitor 3
r2199
r2199
n_thresh val 2
0.00 ... 210000.00 [rpm]
p2155 [D] (900.00)
n_thresh val 1
0.00 ... 210000.00 [rpm]
p2141 [D] (5.00)
n_hysteresis 1
0.00 ... 300.00 [rpm]
p2142 [D] (2.00)
n_act_filt T
0 ... 1000000 [ms]
p2153 [D] (0)
T0
t_on cmpr val rchd
0.0 ... 10000.0 [ms]
p2156 [D] (0.0)
0
1
Monit config
p2149
T0
[2534.3]
0
1
0
1
n_thresh val 2
0.00 ... 210000.00 [rpm]
p2155 [D] (900.00)
.3
<1>
<1>
r1084
n_limit pos eff [rpm]
r1087
n_limit neg eff [rpm]
n_hysteresis 2
0.00 ... 300.00 [rpm]
p2140 [D] (90.00)
n_hysteresis 2
0.00 ... 300.00 [rpm]
p2140 [D] (90.00)
0
1
n_hysteresis 3
0.00 ... 300.00 [rpm]
p2150 [D] (2.00)
n_thresh val 3
0.00 ... 210000.00 [rpm]
p2161 [D] (5.00)
[1]
[6799.4]
1
t_on cmpr val rchd
0.0 ... 10000.0 [ms]
p2156 [D] (0.0)
|n_act| < speed threshold value 3
f or n comparison value
reached or exceeded
|n_act| speed threshold value 2
|n_act| > speed threshold value 2
|n_act| > n_max
[2537.3]
<1>
[2534.3]
[0]
n
.2
.1
.1
.0
.6
[8011.1], [8012.5],
[8013.1], [8022.1],
[8023.1]
<1> Calculated.

Table of Contents

Other manuals for Siemens SINAMICS G120

Related product manuals