EasyManua.ls Logo

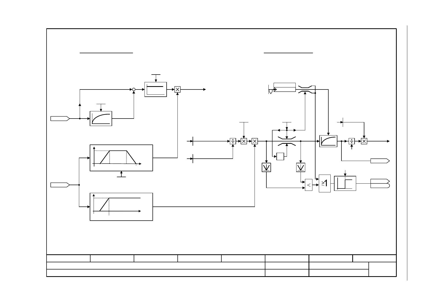
Siemens SINAMICS G120 - Fig. 3-117 6853 - Resonance damping and slip compensation (U;f) (p0096 = 1)

Siemens SINAMICS G120
924 pages
To Next Page IconTo Next Page
To Next Page IconTo Next Page
To Previous Page IconTo Previous Page
To Previous Page IconTo Previous Page
Loading...
SINAMICS G120 Control Units CU240B-2/CU240E-2
List Manual (LH11), 01/2016, A5E33839529
691
3 Function diagrams
3.14 Vector control, Standard Drive Control (p0096 = 1)
Fig. 3-117 6853 – Resonance damping and slip compensation (U/f) (p0096 = 1)
- 6853 -
Function diagram
87654321
fp_6853_97_56.vsd
Vector control, Standard Drive Control
G120 CU240B/E-2
09.12.2015 V4.7.6
Resonance damping and slip compensation (U/f) (p0096 = 1)
+
-1
0
1
[6850.7]
250 ms
6 %
10 % 95 %
1
[2526.2]
<1>
<1>
0
p1334
f/f
Mot N
1
p1334 + 4 %
f/f
Mot N
U/f resonance damping U/f slip compensation
If p1349 = 0: the limit is 0.95 x f Mot N 45 Hz.
r0078
Iq_act [Arms]
Uf Res_damp T
1.00 ... 1000.00 [ms]
p1339 [D] (20.00)
Uf Res_damp gain
0.00 ... 100.00
p1338 [D] (0.00)
f_res damp
r0066
f_outp [Hz]
Slip comp scal
0.0 ... 600.0 [%]
p1335 [D] (0.0)
Slip comp lim val
0.00 ... 600.00 [%]
p1336 [D] (250.00)
ZSW cl-loop ctrl
r0056
r0056
.10
Uf res_damp f_max
0.00 ... 3000.00 [Hz]
p1349 [D] (0.00)
r1337
Slip comp act val [%]
Mot slip_rated [Hz]
r0330 [D]
[6850.6]
Mot slip_rated [Hz]
r0330 [D]
100 %
Slip
compensation
f_Slip [Hz]
r0065
Brake f_start
-300.00 ... 300.00 [%]
p1351 [D] (0.00)
Brake f_start
(1351[0])
p1352 [C]
<2>
[6856.1]
<2> Activation with r0056.4 = 1 till r0066 p1334 and p1216 has expired.
100 % equal r0330 (Rated motor slip)

Table of Contents

Other manuals for Siemens SINAMICS G120

Related product manuals