EasyManua.ls Logo

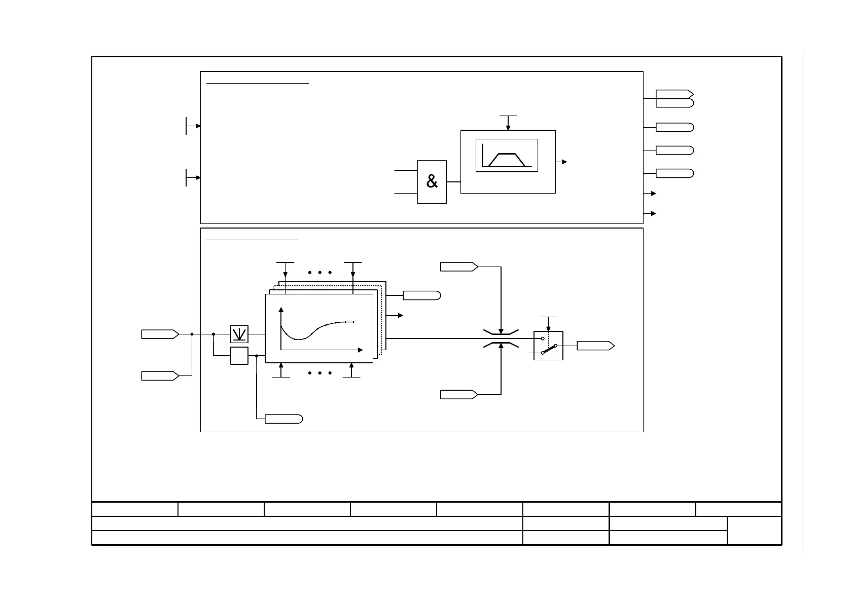
Siemens SINAMICS G120 - Fig. 3-136 7010 - Friction characteristic

Siemens SINAMICS G120
924 pages
To Next Page IconTo Next Page
To Next Page IconTo Next Page
To Previous Page IconTo Previous Page
To Previous Page IconTo Previous Page
Loading...
3 Function diagrams
3.16 Technology functions
SINAMICS G120 Control Units CU240B-2/CU240E-2
712 List Manual (LH11), 01/2016, A5E33839529
Fig. 3-136 7010 – Friction characteristic
- 7010 -
Function diagram
87654321
fp_7010_97_53.vsd
Technology functions
G120 CU240B/E-2
09.12.2015 V4.7.6
Friction characteristic
0
0
1
Sign
+ or -
<1>
M [Nm]
Frict rec act
0 ... 3
p3845 (0)
r0063
n_act [rpm]
r0063
n_act [rpm]
[0]
Frict rec t_RU/RD
0.000 ... 999999.000 [s]
p3846 [D] (10.000)
r3841
Frict outp [Nm]
Friction M0
p3830 [D]
Friction M9
p3839 [D]
r1539
M_max lower eff [Nm]
Frict act
p3842
Friction n9
p3829 [D]
Friction n0
p3820 [D]
Drive ON from the sequence control
Friction characteristic record active (p3845 > 0)
Start ramp-function generator
Record friction characteristic
Play friction characteristic
Friction characteristic positive direction
r3840.8
Friction characteristic record aborted
r3840.3
Friction characteristic record completed
r3840.2
Friction characteristic record activated
r3840.1
A07961
"Friction characteristic record activated"
F07963
"Friction characteristic record
interrupted"
Friction ZSW
r3840
r3840
Frict rec t_warm
0.000 ... 3600.000 [s]
p3847 [D] (0.000)
A07960
"Friction characteristic incorrect"
Friction characteristic OK
r3840.0
n [rpm]
p3845
= 0: Friction characteristic record deactivated
= 1: Friction char record activated for all directions
= 2: Friction char record activated for positive direction
= 3: Friction char record activated for negative direction
<1>
[6640.8]
[6640.8]
[3080.7]
r1538
M_max upper eff [Nm]
[6710.1]
[6832.1]

Table of Contents

Other manuals for Siemens SINAMICS G120

Related product manuals