EasyManua.ls Logo

Siemens SINAMICS G120 - Fig. 3-159 7951 - Fixed value selection direct (p2216 = 1)

Siemens SINAMICS G120
924 pages
To Next Page IconTo Next Page
To Next Page IconTo Next Page
To Previous Page IconTo Previous Page
To Previous Page IconTo Previous Page
Loading...
SINAMICS G120 Control Units CU240B-2/CU240E-2
List Manual (LH11), 01/2016, A5E33839529
737
3 Function diagrams
3.18 Technology controller
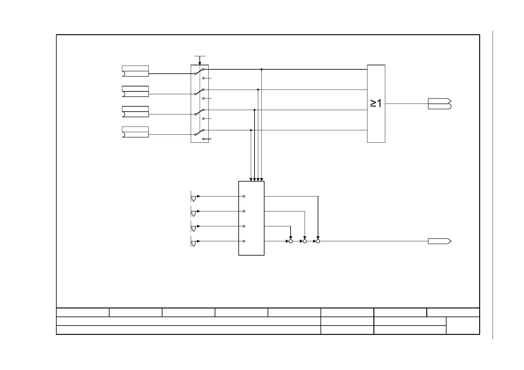
Fig. 3-159 7951 – Fixed value selection direct (p2216 = 1)
- 7951 -
Function diagram
87654321
fp_7951_97_51.vsd
Technology controller
G120 CU240B/E-2
09.12.2015 V4.7.6
Fixed value selection direct (p2216 = 1)
0 0 0 1
0 0 1 0
1 0 0 0
0 1 0 0
(0)
Tec_ctrl sel bit 0
p2220 [C]
(0)
Tec_ctrl sel bit 1
p2221 [C]
(0)
Tec_ctrl sel bit 2
p2222 [C]
(0)
Tec_ctrl sel bit 3
p2223 [C]
r2224
Tec_ctr FixVal eff [%]
Tec_ctr FixVal ZSW
r2225
r2225
+
+
+
+
+
+
.0
Tec_ctr fix val 2 [%]
p2202 [D] (20.00)
Tec_ctrl fix val1 [%]
p2201 [D] (10.00)
Tec_ctr fix val 3 [%]
p2203 [D] (30.00)
Tec_ctr fix val 4 [%]
p2204 [D] (40.00)
Tec_ctr FixVal sel
1 ... 2
p2216 [D] (1)
1
1
1
1
2
2
2
2
[7950]
[7950]
[7950]
[7950]

Table of Contents

Other manuals for Siemens SINAMICS G120

Related product manuals