EasyManua.ls Logo

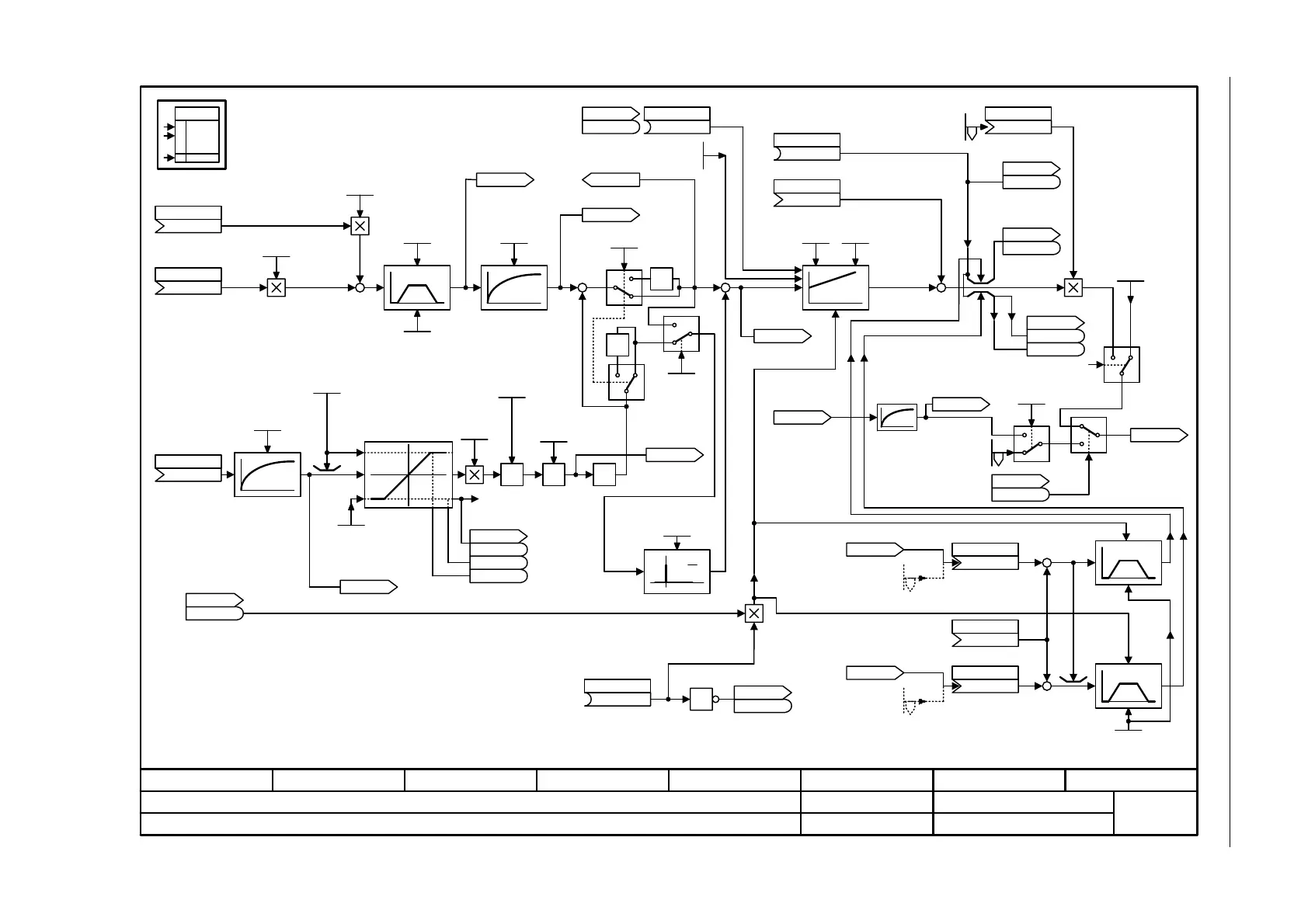
Siemens SINAMICS G120 - Fig. 3-161 7958 - Closed-loop control

Siemens SINAMICS G120
924 pages
To Next Page IconTo Next Page
To Next Page IconTo Next Page
To Previous Page IconTo Previous Page
To Previous Page IconTo Previous Page
Loading...
SINAMICS G120 Control Units CU240B-2/CU240E-2
List Manual (LH11), 01/2016, A5E33839529
739
3 Function diagrams
3.18 Technology controller
Fig. 3-161 7958 – Closed-loop control
- 7958 -
Function diagram
87654321
fp_7958_97_02.vsd
Technology controller
G120 CU240B/E-2
09.12.2015 V4.7.6
Closed-loop control
<1>
<1>
<1>
d
dt
<1>
1
p2263 = 0
x
y
F07426
-1
Depending on the setting of p2350 a different equation will be used to calculate the end values of p2274,
p2280 and p2285.
By p2350=0 the P, I and D components can be disabled by entering a zero.
Tec_ctrl setp 1
(0)
p2253 [C]
Tec_ctrl setp 2
(0)
p2254 [C]
Tec_ctrl t_ramp-dn
0.00 ... 650.00 [s]
p2258 (1.00)
r2260
Tec_ctr set aftRFG [%]
r2262
Tec_ctr set aftFlt [%]
r2273
Tec_ctrl sys_dev [%]
Tec_ctrl outp scal
(2295[0])
p2296 [C]
Tec_ctrMaxLimS_src
(1084[0])
p2297 [C]
Tec_ctrl min_l s_s
(1087[0])
p2298 [C]
Tec_ctr t_RU/RD
0.00 ... 100.00 [s]
p2293 (1.00)
(0)
Tec_ctrl enable
p2200 [C]
Tec_ctrl D comp T
0.000 ... 60.000 [s]
p2274 (0.000)
Tec_ctrl type
0 ... 1
p2263 (0)
Tec_ctrl l_lim act
-200.00 ... 200.00 [%]
p2268 (-100.00)
r2266
Tec_ctr act aftFlt [%]
Tec_ctrl outp scal
-100.00 ... 100.00 [%]
p2295 (100.00)
<4>
[2510.6]
<3>
The start value p2302 is only used in mode p2251 = 0 (Technology controller as
speed main setpoint). After enable of technology controller the start value is
present as long as the RFG output reaches this value.
I component stop, only when r2273 and r2294 in same direction.
By p2251 = 1: p2299 = 0 (default), recommendation: p2299 connected to r1150.
Tec_ctrl u_lim act
-200.00 ... 200.00 [%]
p2267 (100.00)
Tech_ctrl lim offs
(0)
p2299 [C]
(56.13)
Tec_ctr integ hold
p2286 [C]
r2349.8
r2349.9
r2349.12 = 1, if p2345 > 0 and actual value limited and start value p2302 not active.
Tec_ctrl act val
(0)
p2264 [C]
r2349.1
0
1
Tec_ctr fix val 15
-200.00 ... 200.00 [%]
p2215 [D] (150.00)
10 s
1
2
<2>
<5>
<5>
r1150
RFG n_set at
outp [rpm]
r2272
Tech_ctrl act
scal [%]
r2294
Tec_ctrl
outp_sig [%]
Tec_ctrl max_lim
-200.00 ... 200.00 [%]
p2291 (100.00)
r1084
n_limit pos eff [rpm]
Tec_ctrl min_lim
-200.00 ... 200.00 [%]
p2292 (0.00)
r1087
n_limit neg eff [rpm]
Signal = 0 --> factor = 0, when setpoint from external operating tool or operator panel.
<6>
r2344
Tec_ctrl
n_setp_sm
[%]
p2251 = 0: I component is stopped, when r2294 is below the minimum speed or within a suppression bandwidth.
<7>
1
0
1
0
-1
p2263 = 1
r2273
Tec_ctrl sys_dev [%]
-1
01
r0056
r0056
.13
Tec_ctrl status
r2349
r2349
.12
Tec_ctrl status
r2349
r2349
.10
Tec_ctrl status
r2349
r2349
.11
Tech_ctrl flt resp
0 ... 2
p2345 (0)
Tec_ctr start val
0.00 ... 200.00 [%]
p2302 (0.00)
Tec_ctr ActVal fct
0 ... 3
p2270 (0)
Tech_ctrl gain act
0.00 ... 500.00 [%]
p2269 (100.00)
Tech_ctrl act inv
0 ... 1
p2271 (0)
Tec_ctrl act T
0.000 ... 60.000 [s]
p2265 (0.000)
Tec_ctrl t_ramp-up
0.00 ... 650.00 [s]
p2257 (1.00)
Tec_ctrl set T
0.000 ... 60.000 [s]
p2261 (0.000)
+
+
+
+
+
+
+
+
+
+
<2>
<3>
<4>
<5>
<6>
<7>
[2513.2]
Tec_ctrl status
r2349
r2349
.12
ZSW 1
r0052
r0052
.2
Tec_ctrl status
r2349
r2349
.0
1 = Operation enabled
Tec_ctr prectr_sig
(0)
p2289 [C]
(1)
Tec_ctrl lim enab
p2290 [C]
p2252
.
.
.
Tec_ctrl thr_skip
p2339
Tec_ctrl status
r2349
r2349
.13
Tec_ctrl set2 scal
p2256
Tec_ctrl set1 scal
p2255
Tec_ctr SysDev inv
p2306
Tec_ctrl Kp
p2280
Tec_ctrl Tn
p2285

Table of Contents

Other manuals for Siemens SINAMICS G120

Related product manuals