EasyManua.ls Logo

Siemens SINAMICS G120 - Fig. 3-160 7954 - Motorized potentiometer

Siemens SINAMICS G120
924 pages
To Next Page IconTo Next Page
To Next Page IconTo Next Page
To Previous Page IconTo Previous Page
To Previous Page IconTo Previous Page
Loading...
3 Function diagrams
3.18 Technology controller
SINAMICS G120 Control Units CU240B-2/CU240E-2
738 List Manual (LH11), 01/2016, A5E33839529
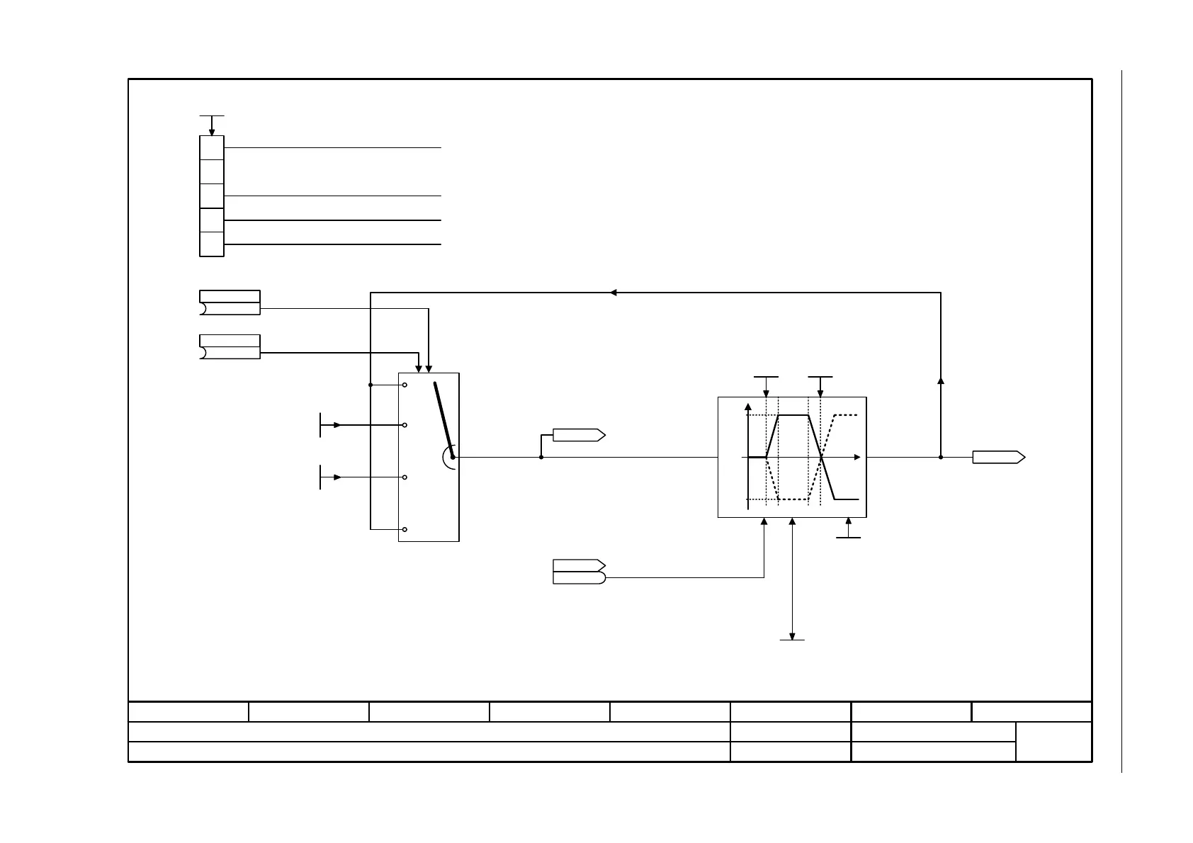
Fig. 3-160 7954 – Motorized potentiometer
- 7954 -
Function diagram
87654321
fp_7954_97_61.vsd
Technology controller
G120 CU240B/E-2
09.12.2015 V4.7.6
Motorized potentiometer
<1>
<2> <2>
0 0
0 1
1 0
1 1
y
p2237
-p2238
x
y = 0
0
1
2
3
Data save active
Initial rounding-off active
Non-volatile data save active
0 The setpoint for the motorized potentiometer is not saved and after ON is entered using p2240.
1 The setpoint for the motorized potentiometer is saved after OFF and after ON is entered using r2231.
0 Without initial rounding.
1 With initial rounding. The ramp-up/down time set is exceeded accordingly.
0 Non-volatile data save not activated
1 The setpoint for the motorized potentiometer is saved in a non-volatile fashion (for p2230.0 = 1)
Old value is kept
1 = OFF1, enable missing
For p2230.0 = 0, this setpoint is entered after ON.
If initial rounding-off is active (p2230.2 = 1), the selected ramp-up/down times are exceeded accordingly.
(0)
Tec_ctrl mop raise
p2235 [C]
(0)
Tec_ctrl mop lower
p2236 [C]
Tec_ctrl mop max
-200.00 ... 200.00 [%]
p2237 [D] (100.00)
Tec_ctrl mop min
-200.00 ... 200.00 [%]
p2238 [D] (-100.00)
r2245
Tec_ctr mop befRFG [%]
Tec_ctr mop t_r-up
0.0 ... 1000.0 [s]
p2247 [D] (10.0)
Tec_ctrMop t_rdown
0.0 ... 1000.0 [s]
p2248 [D] (10.0)
Tec_ctrl mop start
-200.00 ... 200.00 [%]
p2240 [D] (0.00)
Tec_ctrl mop mem [%]
r2231
Missing enable sig
r0046
r0046
r2250
Tec_ctr mop aftRFG [%]
Tec_ctr mop config
p2230 [D] (0000 0100 bin)
4
0
1
Ramp-function generator is always active
Ramp-up encoder inactive with pulse inhibit.
The ramp-up encoder is calculated independently of the pulse enable.
p2237
.0
yx
<1>
<2>

Table of Contents

Other manuals for Siemens SINAMICS G120

Related product manuals