EasyManua.ls Logo

Inficon HAPSITE Smart - Page 207

Inficon HAPSITE Smart
554 pages
Print Icon
To Next Page IconTo Next Page
To Next Page IconTo Next Page
To Previous Page IconTo Previous Page
To Previous Page IconTo Previous Page
Loading...
6 - 5
IPN 074-397-P1G
HAPSITE Smart Operating Manual
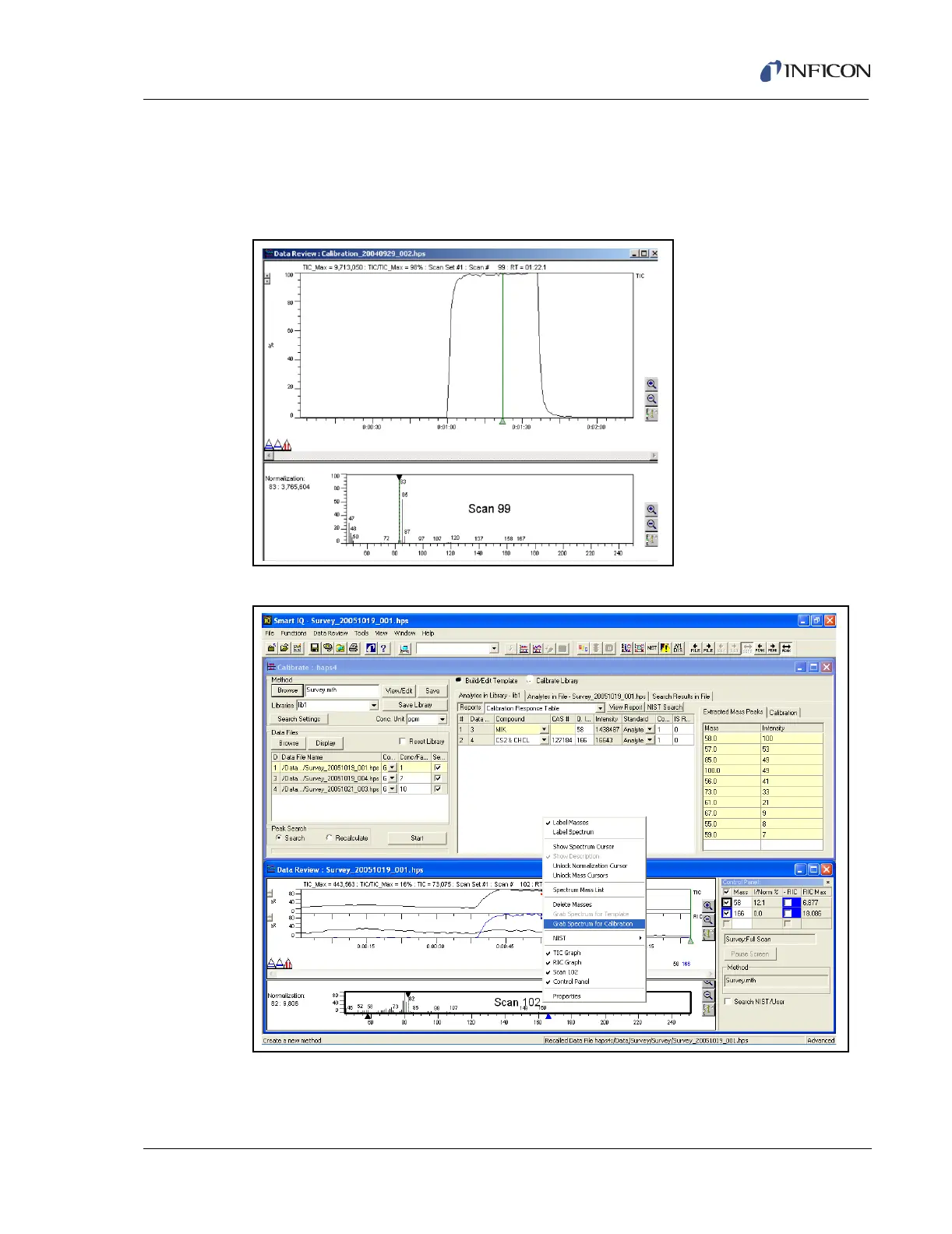
The spectrum of the analyte must be recorded to the target compound library. The
spectrum is recorded by placing the scan cursor on the response curve (e.g., the
TIC) at a location that represents the concentration of the calibration standard. See
Figure 6-4.
Figure 6-4 Placing Cursor on Response Curve at Location of Calibration Standard
Figure 6-5 Grab Spectrum for Template Window

Table of Contents

Related product manuals