EasyManua.ls Logo

Inficon HAPSITE Smart - Page 290

Inficon HAPSITE Smart
554 pages
Print Icon
To Next Page IconTo Next Page
To Next Page IconTo Next Page
To Previous Page IconTo Previous Page
To Previous Page IconTo Previous Page
Loading...
9 - 4
IPN 074-397-P1G
HAPSITE Smart Operating Manual
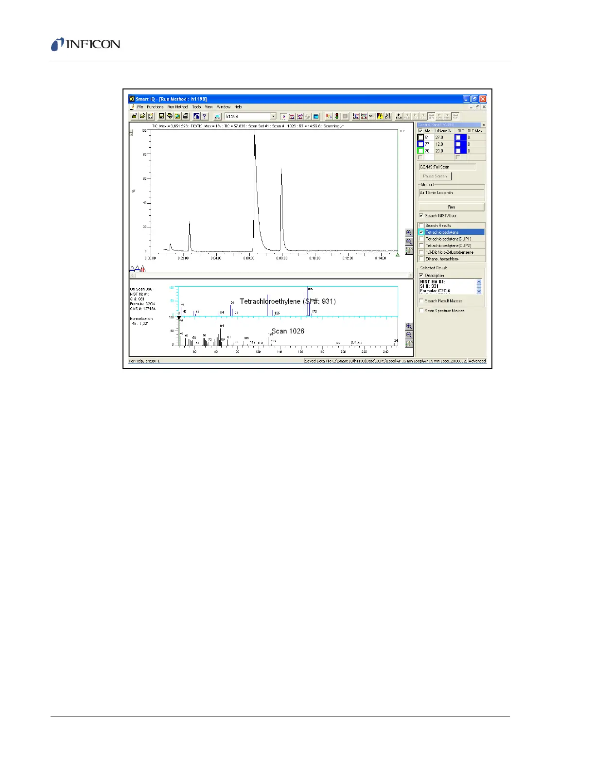
Figure 9-4 Sections of the Data Review Screen
TIC/RIC Window . . . . . . . . . . . . . . . This window displays the Total Ion
Chromatogram. This is the screen where
basic data analysis, such as background
subtraction and selecting peaks, is
conducted.
Control Panel Window . . . . . . . . . . This window allows the input of masses to
plot RICs for the specified mass. Check
Search NIST/User to search the NIST library
for the current spectrum.
Scan/Spectrum Window . . . . . . . . This window displays the spectrum
generated from the TIC/RIC window. This
window will also display NIST matches if
Search NIST/User is checked in the Control
Panel.
TIC/RIC
Window
Scan/Spectrum
Window
Control
Panel
Window

Table of Contents

Related product manuals