EasyManua.ls Logo

STMicroelectronics STM32WL5 Series - Figure 123. CCM Mode Authenticated Encryption; Table 137. Initialization of Aes_Ivrx Registers in CCM Mode

STMicroelectronics STM32WL5 Series
1450 pages
Print Icon
To Next Page IconTo Next Page
To Next Page IconTo Next Page
To Previous Page IconTo Previous Page
To Previous Page IconTo Previous Page
Loading...
AES hardware accelerator (AES) RM0453
674/1450 RM0453 Rev 5
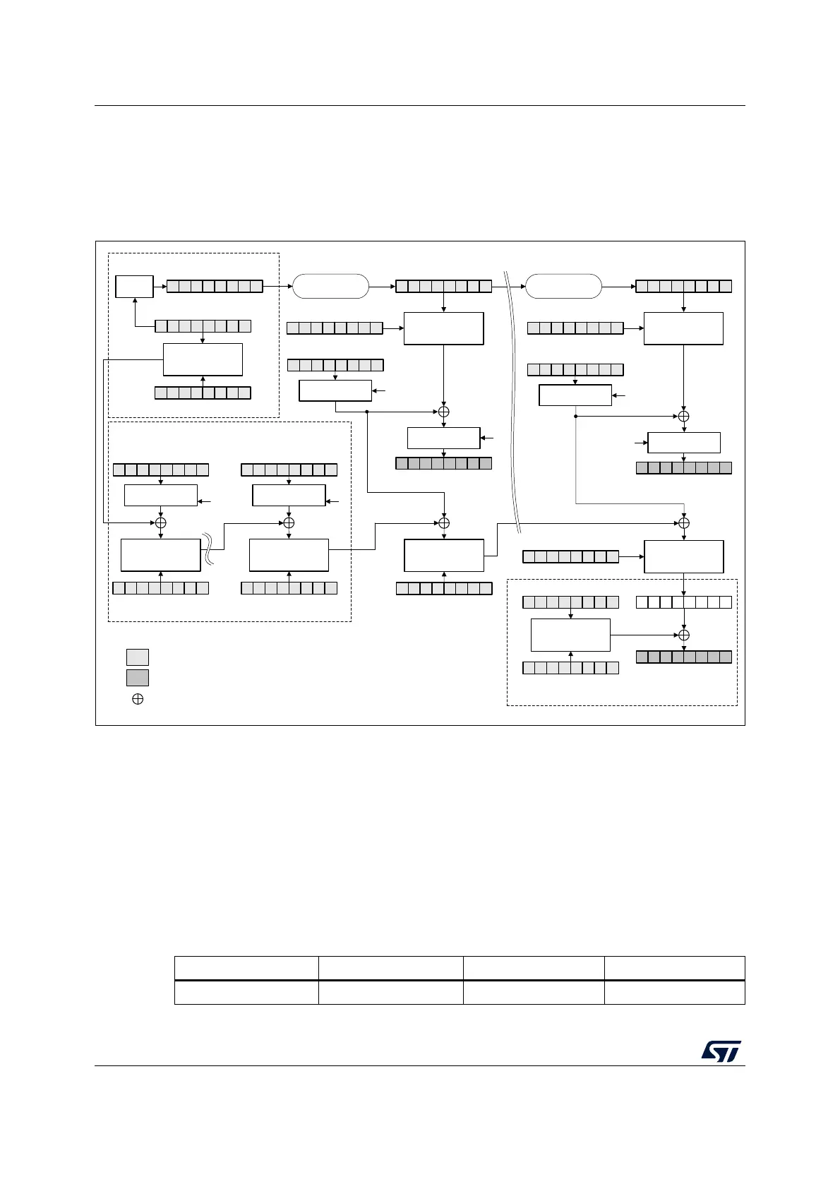
CCM processing
Figure 123 describes the CCM implementation within the AES peripheral (encryption
example). This mode is selected by writing 100 into the CHMOD[2:0] bitfield of the AES_CR
register.
Figure 123. CCM mode authenticated encryption
The data input to the generation-encryption process are a valid nonce, a valid payload
string, and a valid associated data string, all properly formatted. The CBC chaining
mechanism is applied to the formatted plaintext data to generate a MAC, with a known
length. Counter mode encryption that requires a sufficiently long sequence of counter blocks
as input, is applied to the payload string and separately to the MAC. The resulting ciphertext
C is the output of the generation-encryption process on plaintext P.
AES_IVRx registers are used for processing each data block, AES automatically
incrementing the CTR counter with a bit length defined by the first block B0. Table 137
shows how the application must load the B0 data.
Note: The AES peripheral in CCM mode supports counters up to 64 bits, as specified by NIST.
MSv42152V2
(2) Header
(1) Init
(4) Final
AES_DINR (plaintext P1)
AES_DOUTR (ciphertext C1)
DATATYPE
[1:0]
Swap
management
AES_IVRx (CTR1)
input
output
Legend
XOR
Swap
management
DATATYPE
[1:0]
AES_KEYRx (KEY)
AES_IVRx (CTRm)
Swap
management
DATATYPE
[1:0]
Counter
increment (+1)
AES_DINR (plaintext
last block Pm )
AES_DOUTR
(ciphertext last block Cm)
Encrypt
AES_IVRx (CTR0)
AES_DINR (associated
data block B1)
Swap
management
Swap
management
AES_DINR (associated
data last block Bu)
AES_KEYRx (KEY)
AES_DINR (CTR0)
Encrypt
AES_KEYRx (KEY)
AES_DOUTR
(EncTAG)
MAC (T)
Encrypt Encrypt
S0
B
r
B
u+1
Encrypt
AES_KEYRx (KEY)
Encrypt
AES_KEYRx (KEY)
Encrypt
AES_KEYRx (KEY)
Encrypt
AES_KEYRx (KEY)
AES_KEYRx (KEY)
DATATYPE
[1:0]
Swap
management
DATATYPE[1:0]
DATATYPE[1:0]
Sm
S1
Counter
increment (+1)
AES_IVRx (First block B0)
mask
Block 1 Block m
(3) Payload
Table 137. Initialization of AES_IVRx registers in CCM mode
AES_IVR3[31:0] AES_IVR2[31:0] AES_IVR1[31:0] AES_IVR0[31:0]
B0[127:96] B0[95:64] B0[63:32] B0[31:0]

Table of Contents

Related product manuals