EasyManua.ls Logo

SMC Networks LECSN-T Series - Page 57

SMC Networks LECSN-T Series
1046 pages
Print Icon
To Next Page IconTo Next Page
To Next Page IconTo Next Page
To Previous Page IconTo Previous Page
To Previous Page IconTo Previous Page
Loading...
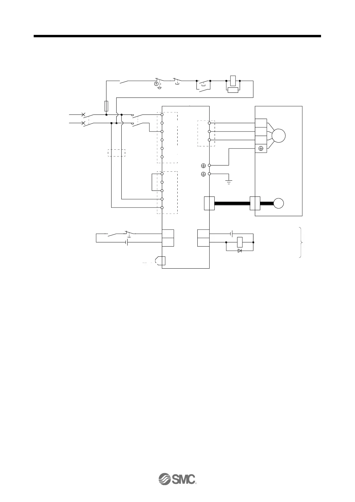
3. SIGNALS AND WIRING
3 - 6
(3) LECSN1-T
(Scheduled release product)
ALM
DOCOM
CN3
RA1
L1
L2
P+
L11
L21
N-
D
C
U
V
W
CNP1
CNP3
CNP2
U
V
W
M
CN2
MC
MC
SK
CN3
EM2
DICOM
CN8
MCCB
24 V DC (Note 12)
MC
(Note 7)
(Note 5)
24 V DC (Note 12)
Malfunction (Note 4)
1-phase
100 V AC to
120 V AC
Servo amplifier
(Note 1)(Note 10)
(Note 2)
Servo motor
Motor
Encoder
(Note 3)
Encoder
cable
(Note 6)
(Note 11)
(Note 11)
(Note 4)
Malfunction
RA1
OFF
ON
Emergency stop sw itch
(Note 5) Forced stop 2
(Note 9)
Short-circuit connector
(Packed with the servo amplifier)
(Note 8)
Main circuit pow er supply
Unassigned
Unassigned
Unassigned
Note 1.
The power factor improving DC reactor cannot be used.
2.
Always connect between P+ and D terminals. (factory-wired) When using the regenerative option, refer to section 11.2.
4.
If ALM (Malfunction) output is disabled with the parameter, configure up the power supply circuit which switches off the
magnetic contactor after detection of alarm occurrence on the upper side side.
5.
This diagram shows sink I/O interface. For source I/O interface, refer to section 3.8.3.
7.
Use a magnetic contactor with an operation delay time (interval between current being applied to the coil until closure of
contacts) of 80 ms or less. Depending on the main circuit voltage and operation pattern, bus voltage decreases, and that may
cause the forced stop deceleration to shift to the dynamic brake deceleration. When dynamic brake deceleration is not
required, slow the time to turn off the magnetic contactor.
8.
Configure a circuit to turn off EM2 when the main circuit power is turned off to prevent an unexpected restart of the driver.
9.
When not using the STO function, attach the short-circuit connector came with a driver.
10.
When wires used for L11 and L21 are thinner than wires used for L1 and L2, use a molded-case circuit breaker. (Refer to
section 11.10.)
11.
Connecting a servo motor of the wrong axis to U, V, W, or CN2 of the driver may cause a malfunction.
12.
The illustration of the 24 V DC power supply is divided between input signal and output signal for convenience. However, they
can be configured by one.
driver
driver

Table of Contents

Related product manuals