EasyManua.ls Logo

Freescale Semiconductor MPC5553 - Page 417

Default Icon
1208 pages
Print Icon
To Next Page IconTo Next Page
To Next Page IconTo Next Page
To Previous Page IconTo Previous Page
To Previous Page IconTo Previous Page
Loading...
MPC5553/MPC5554 Microcontroller Reference Manual, Rev. 5
11-2 Freescale Semiconductor
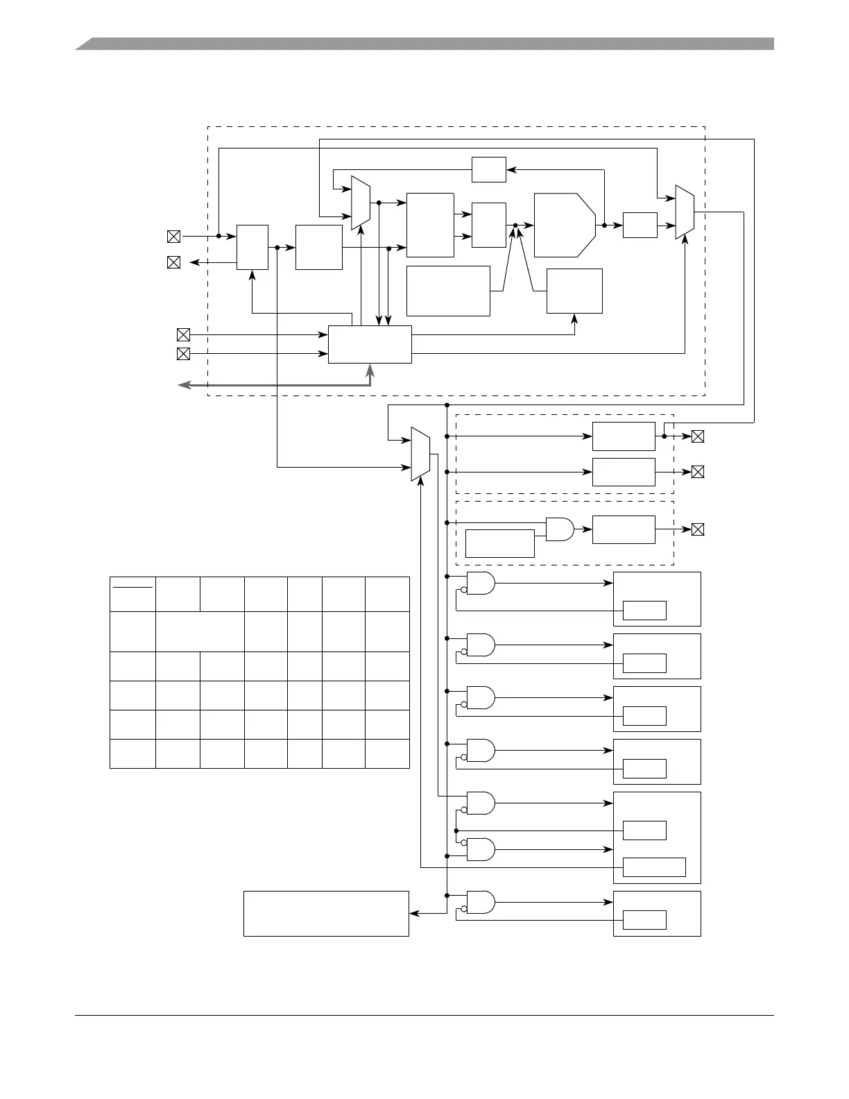
11.1.1.1 FMPLL and Clock Architecture
Figure 11-1. FMPLL Block and Clock Architecture
OSC
EXTAL_EXTCLK
PFD/
Charge
Filter RFD
Bus Interface
Control/Status
Registers
Successive
Approximation
Frequency
FM
Control
1
0
Pumps
Current
Controlled
Oscillator
(ICO)
XTAL
PREDIV
0
1
MFD
PLLCFG[0:1]
MDIS
DSPI x 4
MCKO_EN
MCKO_GT
MCKO
Divider
MCKO
MDIS
EBI
MDIS
eMIOS
MDIS
eTPU Engines
MDIS
eSCI x 2
MDIS
CAN Interface CLK
FlexCAN x 3
CLK_SRC
Message Buffer CLK
ENGCLK
Divider
CLKOUT
Divider
ENGCLK
CLKOUT
NPC
PLLREF
PLLSEL
MODE
Core, INTC, eDMA, SIU, BAM,
RAMs, eQADC, Flash, XBAR,
PBRIDGE_A, PBRIDGE_B
Oscillator Clock
SIU
System
Clock
RSTCFG
PLLCFG
[0]
PLLCFG
[1]
Clock
Mode
MODE PLLSEL PLLREF
1
PLLCFG Pins
Ignored
Crystal
Ref
(Default)
11 1
000
Bypass
Mode
00 0
001
External
Ref
11 0
010
Crystal
Ref
11 1
011
1:1
Mode
10 0
1
0
PLL
(3 in MPC5553)
(2 in MPC5553)
F
prediv
F
ref_crystal
F
ref_ext

Table of Contents

Related product manuals