EasyManua.ls Logo

Freescale Semiconductor MPC5553 - Block Diagram

Default Icon
1208 pages
Print Icon
To Next Page IconTo Next Page
To Next Page IconTo Next Page
To Previous Page IconTo Previous Page
To Previous Page IconTo Previous Page
Loading...
MPC5553/MPC5554 Microcontroller Reference Manual, Rev. 5
24-2 Freescale Semiconductor
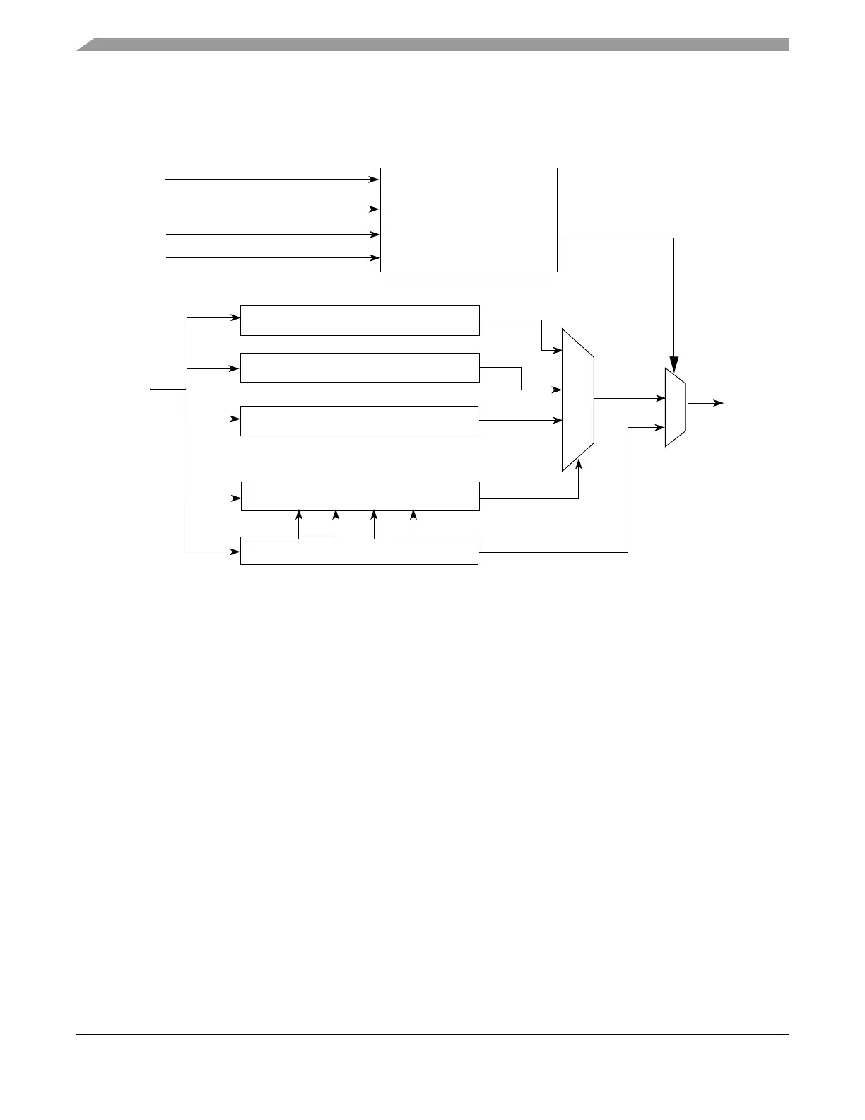
24.1.1 Block Diagram
Figure 24-1 is a block diagram of the JTAG Controller (JTAGC).
Figure 24-1. JTAG Controller Block Diagram
TCK
TMS
TDI
Test Access Port (TAP)
TDO
32-Bit Device Identification Register
Boundary Scan Register
.
.
Controller
1-Bit Bypass Register
.
5-Bit TAP Instruction Decoder
5-Bit TAP Instruction Register
.
.
.
JCOMP
Power-On
Reset

Table of Contents

Related product manuals