EasyManua.ls Logo

Freescale Semiconductor MPC5553 - Introduction

Default Icon
1208 pages
Print Icon
To Next Page IconTo Next Page
To Next Page IconTo Next Page
To Previous Page IconTo Previous Page
To Previous Page IconTo Previous Page
Loading...
MPC5553/MPC5554 Microcontroller Reference Manual, Rev. 5
Freescale Semiconductor 23-1
Chapter 23
Voltage Regulator Controller (VRC) and POR Module
23.1 Introduction
The voltage regulator controller (VRC) and POR module contains circuitry to control regulation of the
external 1.5 V supply used by the device. It also contains power-on reset (POR) circuits for the
1.5 V supply, V
DDSYN
and the VDDE supply that powers the RESET pad.
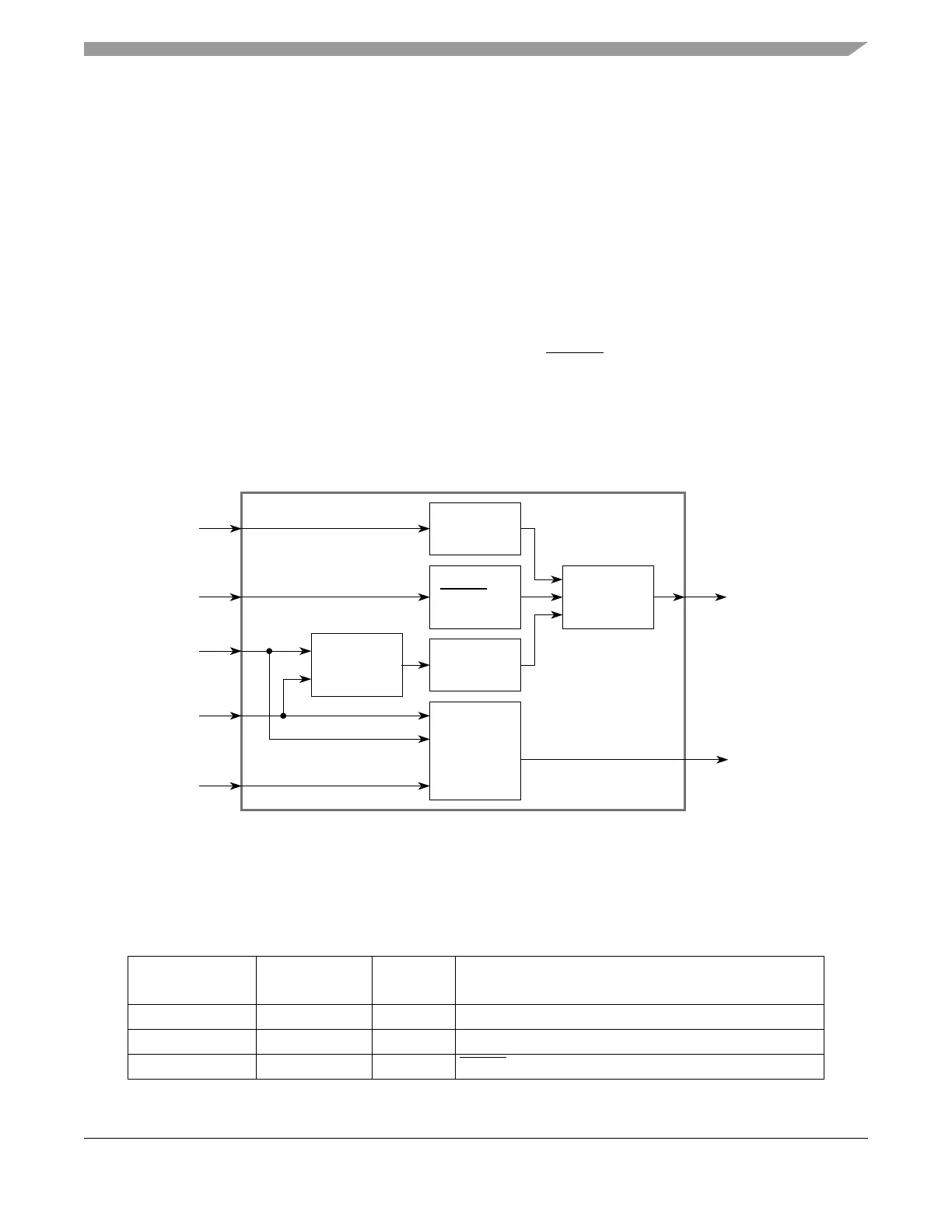
23.1.1 Block Diagram
The block diagram of the VRC and POR module is shown in Figure 23-1. The diagram represents the
various submodules as implemented on the MPC5553/MPC5554.
Figure 23-1. Voltage Regulator Controller and POR Blocks
23.2 External Signal Description
Table 23-1 provides an overview of VRC signals.
Table 23-1. Voltage Regulator Controller and POR Block External Signals
Signal Type
Signal
Level
Description
V
RC33
Supply pin 3.3 V Regulator supply input
V
DDSYN
Supply pin 3.3 V FMPLL supply input
V
DDEH6
Supply pin 3.3/5.0 V RESET pin supply input
3.3V
POR
POR
RESET
Pin
Supply
1.5V
POR
Voltage
Regulator
Controller
V
DDSYN
V
DDEH6
VRCSNS
V
RCCTL
V
RC33
V
RCVSS
POR to
Other Blocks
Within MCU
Functional
OR
Functional
AND

Table of Contents

Related product manuals