EasyManua.ls Logo

Freescale Semiconductor MPC5553 - Block Diagram

Default Icon
1208 pages
Print Icon
To Next Page IconTo Next Page
To Next Page IconTo Next Page
To Previous Page IconTo Previous Page
To Previous Page IconTo Previous Page
Loading...
MPC5553/MPC5554 Microcontroller Reference Manual, Rev. 5
17-2 Freescale Semiconductor
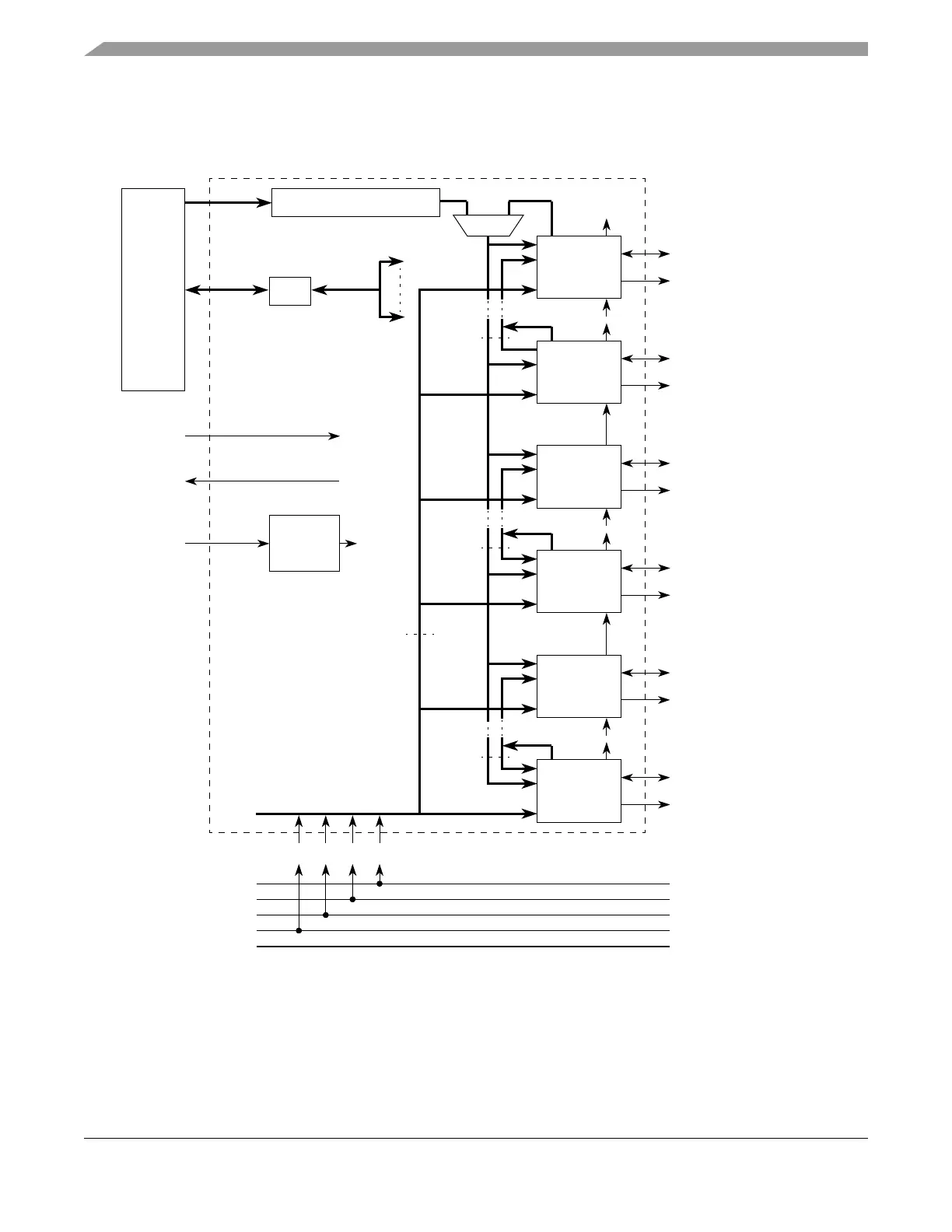
17.1.1 Block Diagram
Figure 17-1 shows the block diagram of the eMIOS.
Figure 17-1. eMIOS Block Diagram
See Note 1
[D][A]
Counter
Buses
(Time
Bases)
EMIOS16
EMIOS_Flag_Out16
[C][A]
[B][A]
Counter
Buses
(Time
Bases)
Counter
Buses
(Time
Bases)
All
Submodules
Internal
Counter
Clock
Enable
STAC
Output Disable Input[0:3]
Global Time
Base Enable In
Global Time
Base Enable Out
System
Clock
Enhanced Modular
Unified
STAC Client Submodule
BIU
Slave
Interface
Clock
Prescaler
Output Disable
Control Bus
Note 1: Connection between UC[n-1] and UCn necessary to implement QDEC mode.
Input/Output
Subsystem
Channel
23
EMIOS23
EMIOS_Flag_Out23
Unified
Channel
16
Unified
Channel
15
EMIOS15
EMIOS_Flag_Out15
Unified
Channel
8
Unified
Channel
7
Unified
Channel
0
EMIOS8
EMIOS_Flag_Out8
EMIOS7
EMIOS_Flag_Out7
EMIOS0
EMIOS_Flag_Out0
EMIOS_Flag_Out8
EMIOS_Flag_Out9
EMIOS_Flag_Out10
EMIOS_Flag_Out11
EMIOS_Flag_Out[20:23]
ETPUA_ODI3
ETPUA_ODI2
ETPUA_ODI1
ETPUA_ODI0
ETPUB_ODI[0:3]
Internal
Bus
Note 2: On channels 12–15, there is no input from EMIOS[12:15], but only from the DSPI module.
See Note 2

Table of Contents

Related product manuals