EasyManua.ls Logo

RFL Electronics GARD 8000 - Page 430

RFL Electronics GARD 8000
647 pages
Print Icon
To Next Page IconTo Next Page
To Next Page IconTo Next Page
To Previous Page IconTo Previous Page
To Previous Page IconTo Previous Page
Loading...
Power Line Carrier
GARD 8000 SYS RFL Electronics
November 7, 2011 10-49 (10-50 blank) 973.334.3100
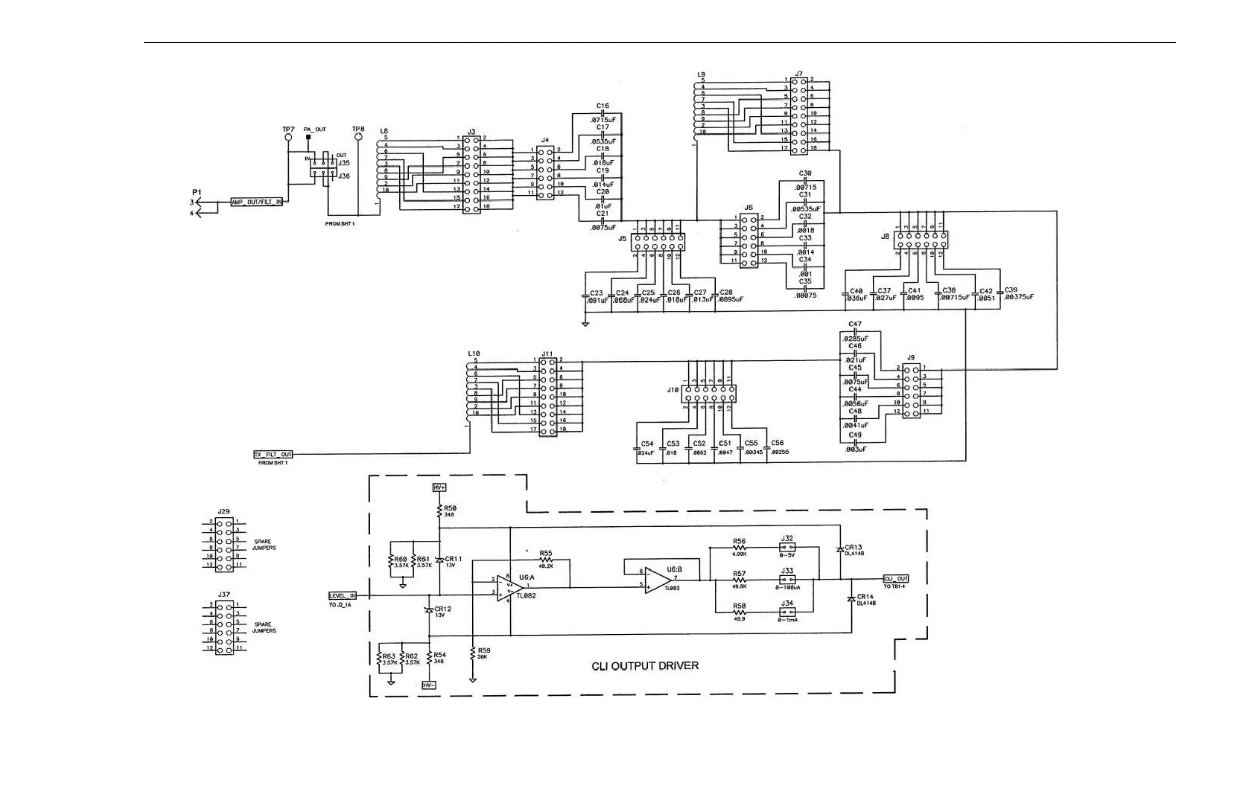
Figure 10-35. Schematic,
GARD 8000 PLC Analog Module, B-500934-K,
30-392 KHz, 50 Ohm (Sheet 2 of 4)

Table of Contents