EasyManua.ls Logo

Freescale Semiconductor MPC5553 - Page 664

Default Icon
1208 pages
Print Icon
To Next Page IconTo Next Page
To Next Page IconTo Next Page
To Previous Page IconTo Previous Page
To Previous Page IconTo Previous Page
Loading...
MPC5553/MPC5554 Microcontroller Reference Manual, Rev. 5
Freescale Semiconductor 17-25
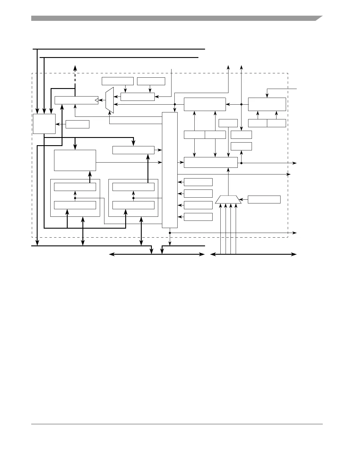
Figure 17-12. Unified Channel Block Diagram
17.4.4.1 Programmable Input Filter (PIF)
The PIF ensures that only valid input pin transitions are received by the unified channel edge detector. A
block diagram of the PIF is shown in Figure 17-13.
The PIF is a 5-bit programmable up counter that is incremented by the selected clock source, according to
bits IF[0:3] in EMIOS_CCRn. The clock source is selected by the EMIOS_CCRn[FCK] bit.
Programmable
Filter
FSM
IF[0:3]
UCIN
UCOUT
ODIS
EDSELEDPOL
Edge Detect
Output Flip-Flop
FCK
Comparator A
(with Zero
Prescaler
UCPRE[0:1]
BSL[0:1]
Detection)
Comparator B
Register CADR
ENEN
FORCMB
RWCB RQB
See Note 2
Internal Counter Clock
See Note 1
Counter Bus B, C, or D
Counter Bus A
FORCMA
MODE[0:6]
UPDATE
Output Disable
Control Bus
ODISSL[0:1]
EMIOS_Flag_Outn
EMIOS_UCn
EMIOSn
EMIOSn
Internal Bus
Unified Channel
Counter
Bus
Select
Internal Counter
Register A1
Register A2
Register B1
Register B2
Notes:
1. Counter bus A can be driven by either the STAC bus or channel 23. Refer to EMIOS_MCR[ETB].
2. Goes to the finite state machine of the UC[n-1]. These signals are used for QDEC mode.
FLAG
Register CBDR
Channel 0 drives counter bus B, channel 8 drives counter bus C and channel 16 drives counter bus D.
Counter bus B can be selected as the counter for channels 0-7, counter bus C for channels 8-15,
and counter bus D for channels 16-23. Refer to Figure 16-1 and EMIOS_CCRn[BS].
UCPREN

Table of Contents

Related product manuals