EasyManua.ls Logo

Freescale Semiconductor MPC5553 - Page 846

Default Icon
1208 pages
Print Icon
To Next Page IconTo Next Page
To Next Page IconTo Next Page
To Previous Page IconTo Previous Page
To Previous Page IconTo Previous Page
Loading...
MPC5553/MPC5554 Microcontroller Reference Manual, Rev. 5
Freescale Semiconductor 19-91
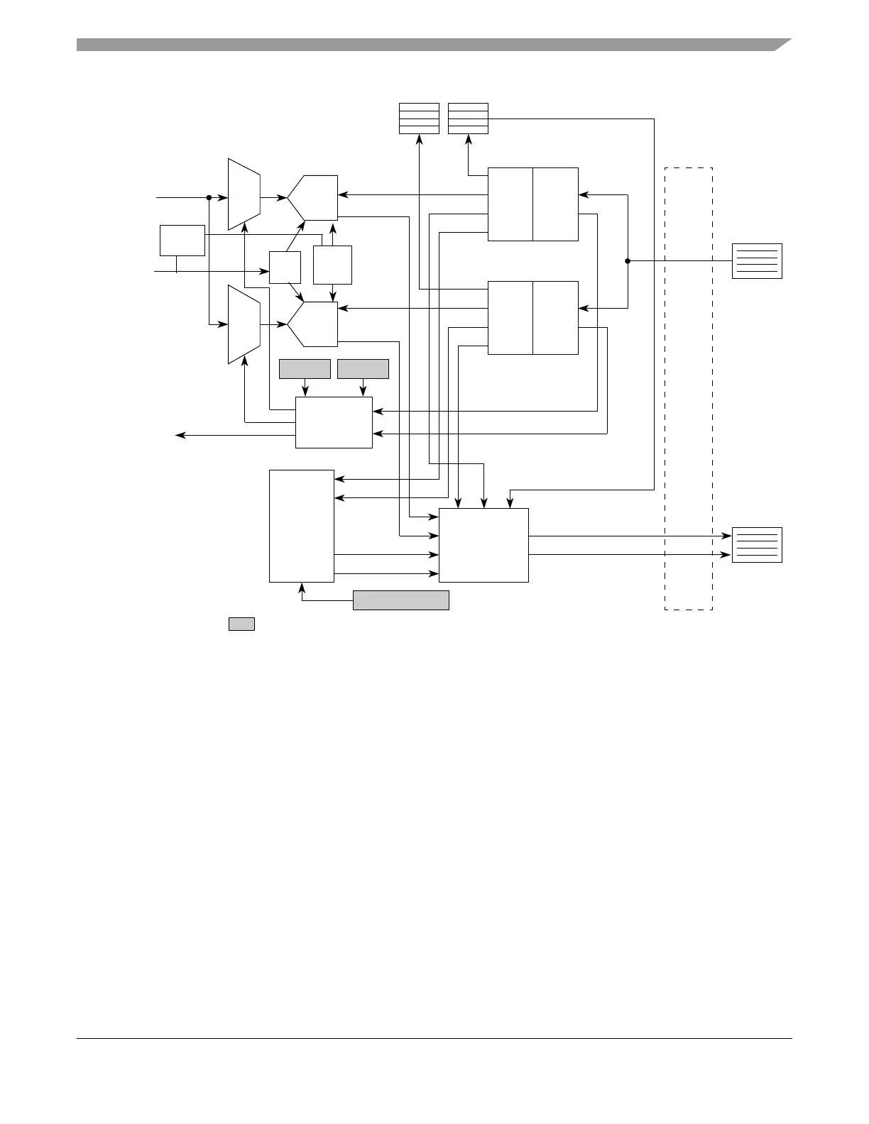
Figure 19-51. On-Chip ADC Control Scheme
MUX
40:1
CFIFO
n
ADC0
BIAS
GEN
MUX
40:1
ADC1
MUX
Control
Logic
(32-bits)
RFIFO
n
(16-bits)
AN0-AN39
REFBYPC
MA0, MA1,
Configuration
Registers
EMUX0 EMUX1
Entry1
LST0
Entry0
ADC0 Buffer
Entry1
LST1
Entry0
ADC1 Buffer
Register Data 0/1
CHANNEL_NUMBER0
CHANNEL_NUMBER1
MESSAGE_TAG1; FMT1, CAL1
MESSAGE_TAG0;
FMT0, CAL0
Result Format
&
Calibration
Submodule
FIFO
Control
Unit
Result0
Result1
Time Stamp1
Time Stamp0
Time
Stamp
Logic
TBC_CLK_PS
TSR0
TSR1
ADC1_Result1
ADC0_Result0
ADDR or/and DATAADDR or/and DATA
MA2
Configuration Register Fields NOTE:
n
= 0, 1, 2, 3, 4, 5
REF
GEN
Pre
Charge

Table of Contents

Related product manuals