EasyManua.ls Logo

Xerox VersaLink B7025 - Page 1118

Xerox VersaLink B7025
1341 pages
Print Icon
To Next Page IconTo Next Page
To Next Page IconTo Next Page
To Previous Page IconTo Previous Page
To Previous Page IconTo Previous Page
Loading...
April 2017
7-42
Xerox® VersaLink® B7025/B7030/B7035 Multifunction Printer
Wiring Diagrams
Launch Issue
Wiring Data
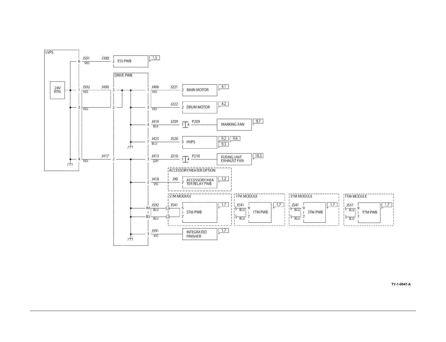
Wiring Diagram 15 IOT/IIT +24V RTN
Figure 15 Wiring diagram 15

Table of Contents

Other manuals for Xerox VersaLink B7025

Related product manuals