EasyManua.ls Logo

Xerox VersaLink B7025 - Page 1123

Xerox VersaLink B7025
1341 pages
Print Icon
To Next Page IconTo Next Page
To Next Page IconTo Next Page
To Previous Page IconTo Previous Page
To Previous Page IconTo Previous Page
Loading...
April 2017
7-47
Xerox® VersaLink® B7025/B7030/B7035 Multifunction Printer
Wiring Diagrams
Wiring Data
Launch Issue
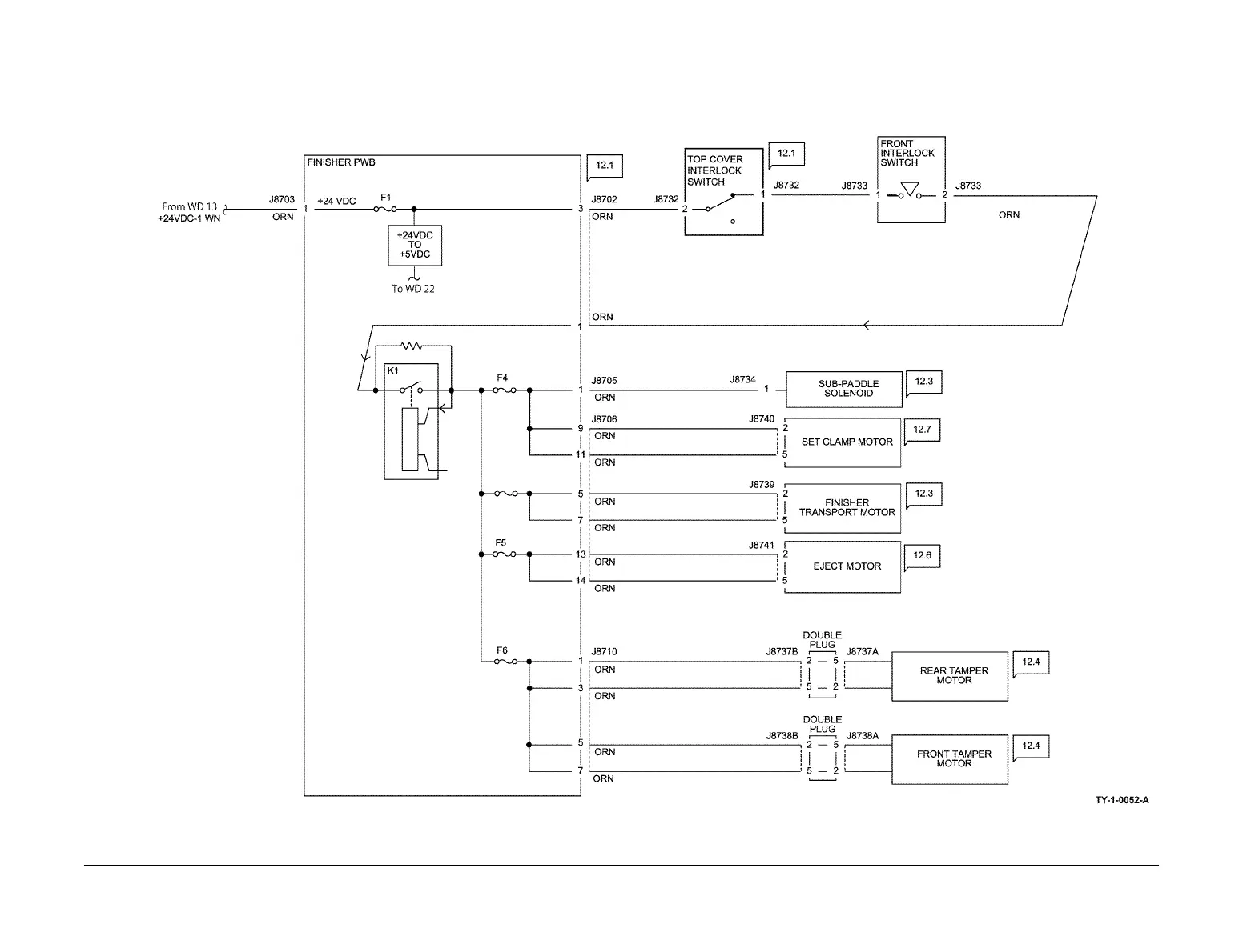
Wiring Diagram 20 Integrated Office Finisher +24VDC
Figure 20 Wiring diagram 20

Table of Contents

Other manuals for Xerox VersaLink B7025

Related product manuals