EasyManua.ls Logo

Xerox VersaLink B7025 - Page 1224

Xerox VersaLink B7025
1341 pages
Print Icon
To Next Page IconTo Next Page
To Next Page IconTo Next Page
To Previous Page IconTo Previous Page
To Previous Page IconTo Previous Page
Loading...
April 2017
7-148
Xerox® VersaLink® B7025/B7030/B7035 Multifunction Printer
Block Schematic Diagrams (BSDs)
Launch Issue
Wiring Data
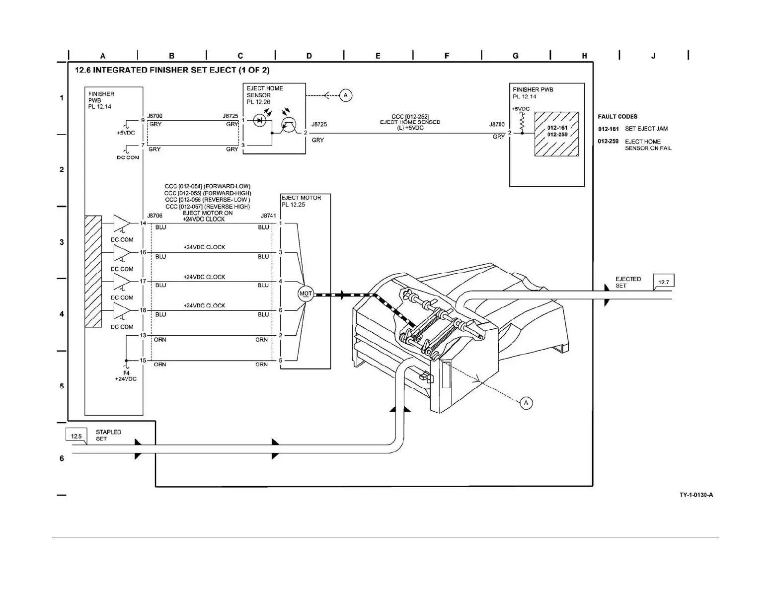
BSD 12.6 Integrated Office Finisher Set Eject (1 of 2)
Figure 92 BSD 12.6

Table of Contents

Other manuals for Xerox VersaLink B7025

Related product manuals