EasyManua.ls Logo

Xerox VersaLink B7025

Xerox VersaLink B7025
1341 pages
To Next Page IconTo Next Page
To Next Page IconTo Next Page
To Previous Page IconTo Previous Page
To Previous Page IconTo Previous Page
Loading...
April 2017
7-117
Xerox® VersaLink® B7025/B7030/B7035 Multifunction Printer
Block Schematic Diagrams (BSDs)
Wiring Data
Launch Issue
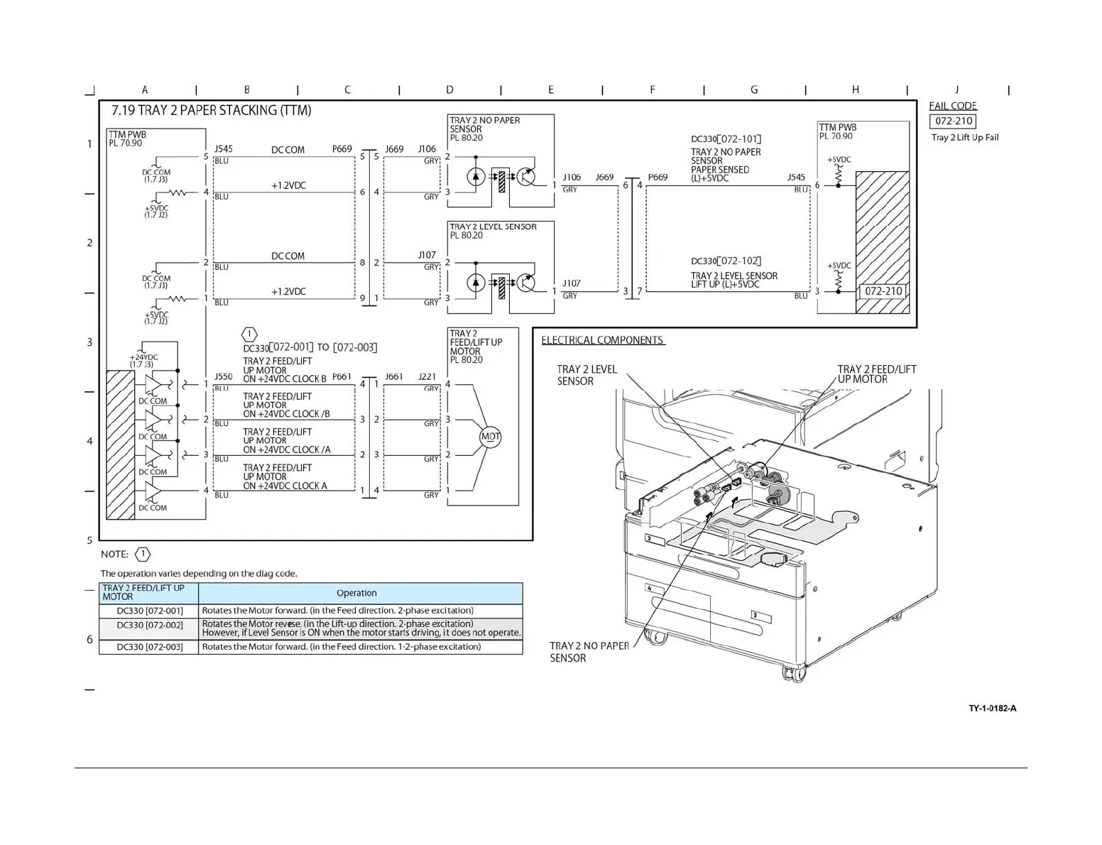
BSD 7.19 Tray 2 Paper Stacking (TTM)
Figure 61 BSD 7.19

Table of Contents

Other manuals for Xerox VersaLink B7025

Related product manuals