EasyManua.ls Logo

Xerox VersaLink B7025 - Page 1212

Xerox VersaLink B7025
1341 pages
To Next Page IconTo Next Page
To Next Page IconTo Next Page
To Previous Page IconTo Previous Page
To Previous Page IconTo Previous Page
Loading...
April 2017
7-136
Xerox® VersaLink® B7025/B7030/B7035 Multifunction Printer
Block Schematic Diagrams (BSDs)
Launch Issue
Wiring Data
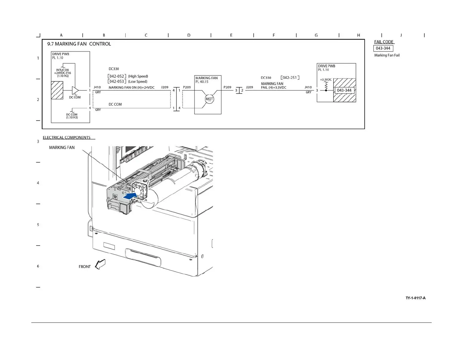
BSD 9.7 Marking Fan Control
Figure 80 BSD 9.7

Table of Contents

Other manuals for Xerox VersaLink B7025

Related product manuals