EasyManua.ls Logo

GigaDevice Semiconductor GD32F3x0 - Figure 16-68. General Level4 Timer Block Diagram

Default Icon
665 pages
Print Icon
To Next Page IconTo Next Page
To Next Page IconTo Next Page
To Previous Page IconTo Previous Page
To Previous Page IconTo Previous Page
Loading...
GD32F3x0 User Manual
404
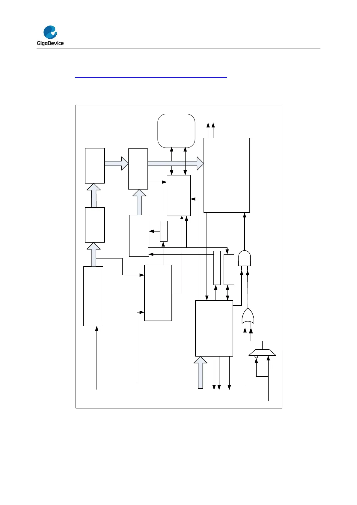
16.5.3. Block diagram
Figure 16-68. General level4 timer block diagram provides details of the internal
configuration of the general level4 timer.
Figure 16-68. General level4 timer block diagram
Input Logic
Synchronizer
&Filter
&Edge Detector
Edge selector
Prescaler
Counter Control
Counter
TIMERx
_CHxCV
Register
/Interrupt
Register set and update
Interrupt collector and
controller
APB BUS
CK_TIMER
CH0_IN
CAR
Repeater
Output Logic
generation of outputs signals in
compare
, PWM,and mixed modes
according to
initialization
,
complementary mode
, software
output control
, deadtime insertion
,
break input
, output mask
, and
polarity control
BRKEN
BRKIN
CKM
clock monitor
CH0_O
CH0_ON
DMA controller
DMA REQ
/ACK
TIMERx_CH0
TIMERx_UP
.
cap/com
req en/direct req set
PSC
PSC_CLK
TIMER_CK
Interrupt
break
update

Table of Contents

Related product manuals