EasyManua.ls Logo

GigaDevice Semiconductor GD32F3x0 - Figure 4-2. Clock Tree

Default Icon
665 pages
Print Icon
To Next Page IconTo Next Page
To Next Page IconTo Next Page
To Previous Page IconTo Previous Page
To Previous Page IconTo Previous Page
Loading...
GD32F3x0 User Manual
72
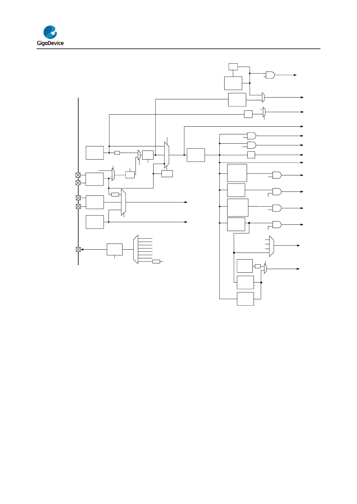
Figure 4-2. Clock tree
/2
4- 32 MHz
HXTAL
8 MHz
IRC8M
×2,3,4
,64
PLL
Clock
Monitor
PLLSEL
PREDV
0
1
00
01
10
CK_IRC8M
CK_HXTAL
CK_PLL CK_SYS
108MHz max
AHB
Prescaler
÷1,2... 512
CK_AHB
108MHz max
APB1
Prescaler
÷1,2,4,8,16
TIMER1,2,5,13
if(APB1 prescaler
=1) = AHB
else
= AHB / (APB1
prescaler /2)
APB2
Prescaler
÷1,2,4,8,16
CK_APB2
54 MHz max
Peripheral enable
PCLK2
to APB2 peripherals
CK_APB1
54 MHz max
Peripheral enable
PCLK1
to APB1 peripherals
TIMERx
enable
CK_TIMERx
to TIMER0,14,15,16
TIMERx
enable
CK_TIMERx
to TIMER1,2,5,13
AHB enable
HCLK
( to AHB bus, Cortex
-
M4,SRAM,DMA)
FMC enable
( by hardware
)
CK_FMC
(to FMC)
÷8
CK_CST
( to Cortex-M4 SysTick)
FCLK
( free running clock)
32. 768 KHz
LXTAL
11
10
01
40 KHz
IRC40K
CK_RTC
CK_FWDGT
( to RTC)
( to FWDGT)
/32
CK_ LXTAL
CK_PLL
CK_ HXTAL
CK_IRC8M
CK_OUT
SCS[1:0
]
RTCSRC[1:0]
÷1,2.
..16
CK_I2S
(to I2S)
1
0
÷244
CK_CEC
( to CEC)
CK_ LXTAL
CECSEL
CK_SYS
CK_IRC40K
CK_IRC28M
0
/1,2
÷1,2,4... 128
CKOUTDIV
USBFS
Prescaler
÷1,1.5,2,2.5
3,3.5
CK_ USBFS
( to USBFS)
48 MHz
48 MHz
IRC48M
CTC
CK48 MSEL
CK_CTC
1
0
CK_IRC48M
CK_IRC48M
PLLPRESEL
1
0
PLLMF
IRCCK
XTAL
_
CK_
_CK SYS
10
01
00
M8
L
11
CK USART_
0
0
to USART
28 MHz
28MIRC
CK_ ADC to ADC
40 MHz max
ADCSEL
1
0
ADC
Prescaler
÷ ,3 5,
ADC
Prescaler
÷ ,2 4, ,6
8
7
,
9
÷
2
1
,
TIMER0,14,15 ,16
if(APB2 prescaler
=1) = AHB
else
= AHB / (APB2
prescaler /2)
The frequency of AHB, APB2 and the APB1 domains can be configured by each prescaler.
The maximum frequency of the AHB, APB2 and APB1 domains is 108 MHz/54 MHz/54 MHz.
The cortex system timer (systick) external clock is clocked with the AHB clock (HCLK)
divided by 8. The systick can work either with this clock or with the AHB clock (HCLK),
configurable in the systick control and status register.
The ADC are clocked by the clock of APB2 divided by 2, 4, 6, 8 or by the clock of AHB
divided by 3, 5, 7, 9 or IRC28M or IRC28M/2 clock for GD32F3x0 series selected by
ADCSEL bit in configuration register 2 (RCU_CFG2). The USART0 is clocked by IRC8M
clock or LXTAL clock or system clock or APB2 clock, which selected by USART0SEL bits in
configuration register 2 (RCU_CFG2). The CEC clock is clocked by IRC8M divided 244 or
LXTAL clock which selected by CECSEL bit in configuration register 2 (RCU_CFG2).
The RTC is clocked by LXTAL clock or IRC40K clock or HXTAL clock divided by 32 which
select by RTCSRC bit in backup domain control register (RCU_BDCTL).
The USBFS is clocked by the clock of CK48M. The CK48M is selected from the clock of

Table of Contents

Related product manuals