EasyManua.ls Logo

Xerox Phaser 6300 - 1100-Sheet Feeder Wiring Diagrams; 1100-Sheet Feeder General Wiring

Xerox Phaser 6300
555 pages
Print Icon
To Next Page IconTo Next Page
To Next Page IconTo Next Page
To Previous Page IconTo Previous Page
To Previous Page IconTo Previous Page
Loading...
Wiring Diagrams 10-29
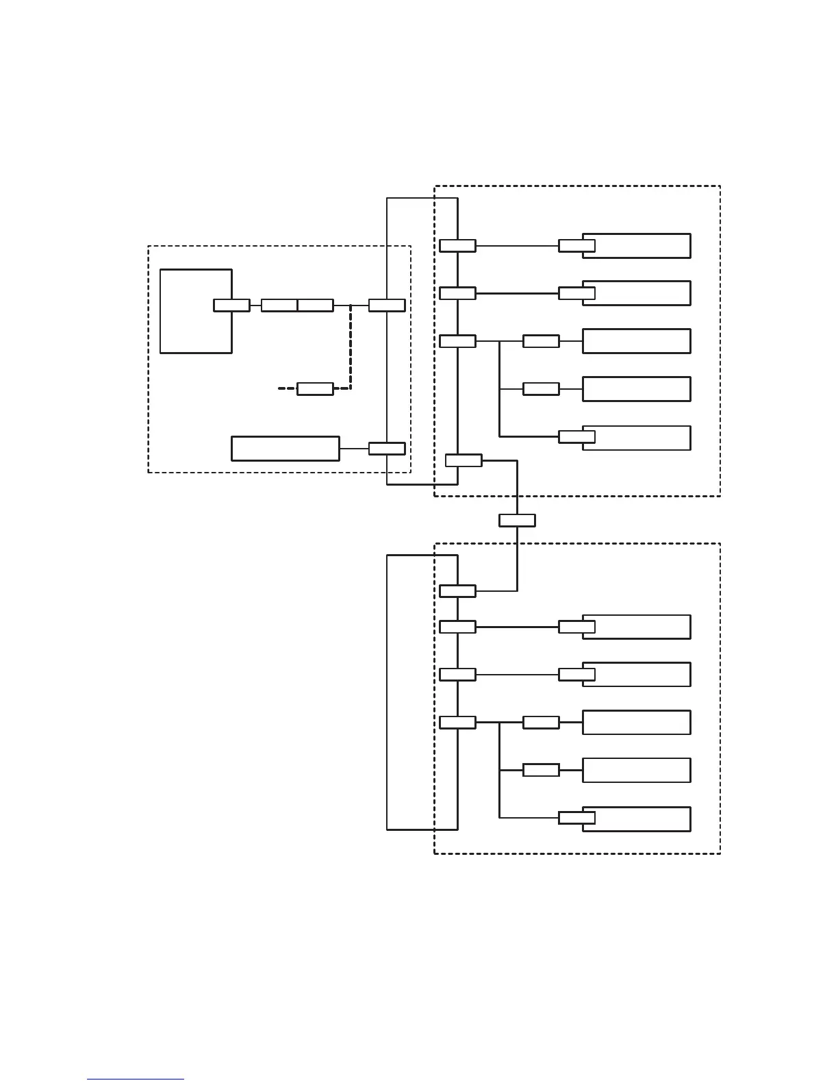
1100-Sheet Feeder Wiring Diagrams
1100-Sheet Feeder General Wiring
ENGINE CONTROL
BOARD
PL9.1.16
PWBA
OPTFDR 2T
PL12.3.3
P/J80
PAPER SIZE SWITCH
PL12.2.6
P/J821
P/J81
LOW PAPER SENSOR
PL12.4.7
P/J823
P/J82
DRIVE ASSY
PL12.3.9
P/J85
TURN ROLLER CLUTCH
PL12.4.4
P/J825
FEED SOLENOID
PL12.4.11
P/J824
NO PAPER SENSOR
PL12.4.7
PAPER SIZE SWITCH
PL12.2.6
LOW PAPER SENSOR
PL12.4.7
TURN ROLLER CLUTCH
PL12.4.4
FEED SOLENOID
PL12.4.11
NO PAPER SENSOR
PL12.4.7
P/J822
P/J83J172P/J17
LOWER
OPTFDR
BOARD
PL12.3.3
P/J80 P/J821
P/J81 P/J823
P/J85 P/J825
P/J824
P/J83
P/J84
P/J822
P/J172
P171
P/J172From Single Feeder Unit
s6300-336
7
Drive Section
12
Upper Tray
13
Lower Tray

Table of Contents

Other manuals for Xerox Phaser 6300

Related product manuals