EasyManua.ls Logo

Freescale Semiconductor PowerPC e500 Core - IPROT Invalidation Protection in TLB1

Default Icon
548 pages
Print Icon
To Next Page IconTo Next Page
To Next Page IconTo Next Page
To Previous Page IconTo Previous Page
To Previous Page IconTo Previous Page
Loading...
PowerPC e500 Core Family Reference Manual, Rev. 1
12-12 Freescale Semiconductor
Memory Management Units
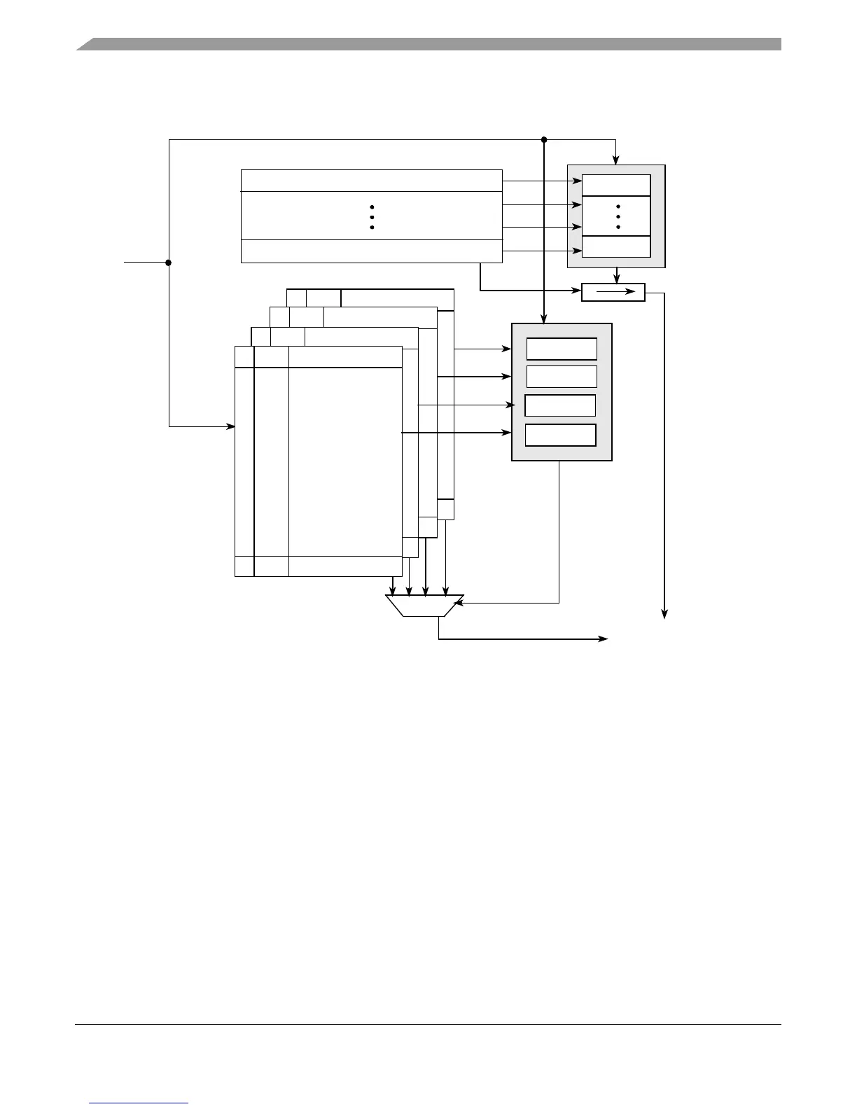
The equivalent figure for the e500v2 is shown in Figure 12-7.
Figure 12-7. L2 MMU TLB Organization—e500v2
12.3.2.1 IPROT Invalidation Protection in TLB1
The IPROT bit in TLB1 is used to protect TLB entries from invalidation. TLB1 entries with
IPROT set can never be invalidated by a tlbivax instruction executed by this processor (even when
the INV_ALL command is indicated) (internal case), by an external tlbivax instruction, or by a
flash invalidate initiated by writing to the MMUCSR0. The IPROT bit can be used to protect
critical code and data such as interrupt vectors/handlers in order to guarantee that the instruction
fetch of those vectors never takes a TLB miss exception. Entries with IPROT set can only be
invalidated by writing a 0 to the valid bit of the entry (by using the MAS registers and executing
the tlbwe instruction).
V
0
15
TLB1
Select
Compare
Compare
way 3
way 2
MUX
RPN
hit
Compare
Compare
RPN
hit
TLB0
Real Address
(translated bits,
depending on page size)
Virtual Addresses
VAs
127
0
Compare
Compare
way 1
way 0
V
V
V

Table of Contents

Related product manuals