EasyManua.ls Logo

JRC JUE-501 - Dimensional Drawing (JUE-501;JUE-251 Standard Components); ADE (above Deck Equipment) JUE-501[GSC-511]

JRC JUE-501
406 pages
To Next Page IconTo Next Page
To Next Page IconTo Next Page
To Previous Page IconTo Previous Page
To Previous Page IconTo Previous Page
Loading...
2. Introduction of JUE-501/JUE-251
2-6
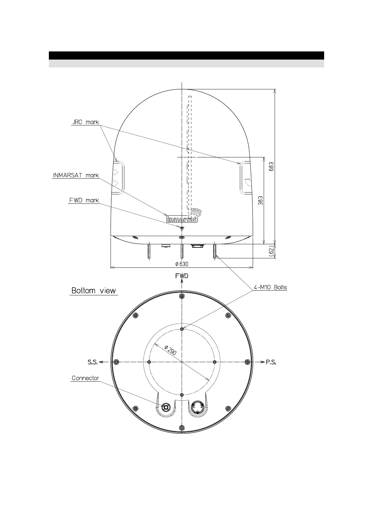
2.4 Dimensional drawing (JUE-501/JUE-251 standard components)
2.4.1 ADE (Above Deck Equipment) JUE-501[GSC-511]
Fig. 2.4.1 Appearance of JUE-501 ADE (GSC-511)
Unit: mm
Mass: Approx.20kg

Table of Contents

Related product manuals