EasyManua.ls Logo

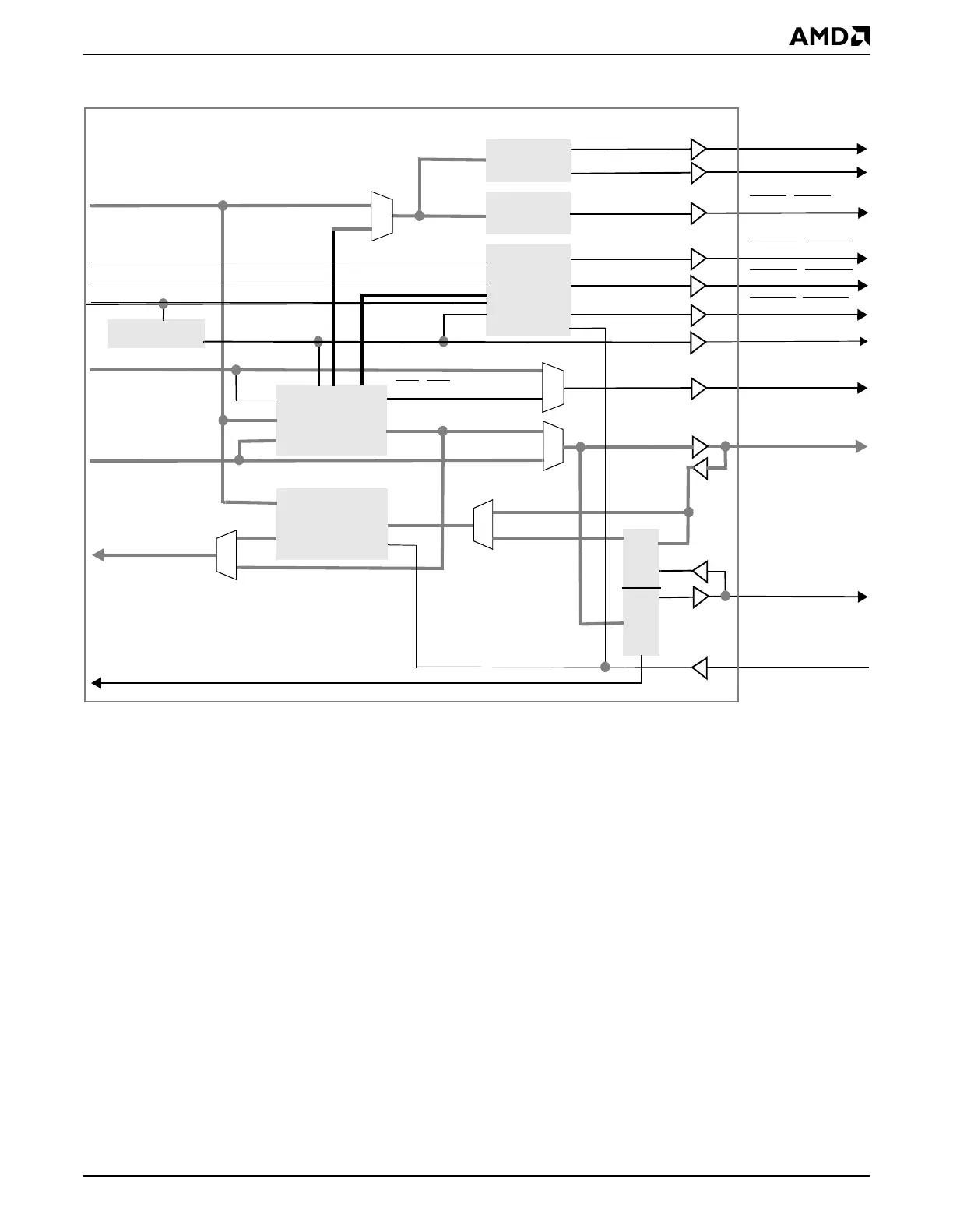
AMD Elan SC520 - Figure 10-2 Detailed Block Diagram of SDRAM Controller

AMD Elan SC520
444 pages
Print Icon
To Next Page IconTo Next Page
To Next Page IconTo Next Page
To Previous Page IconTo Previous Page
To Previous Page IconTo Previous Page
Loading...
SDRAM Controller
Élan™SC520 Microcontroller Users Manual 10-3
Figure 10-2 Detailed Block Diagram of SDRAM Controller
Notes:
SDRAM controller trace and test logic is not shown.
MA12–MA0
MECC6–MECC0
SDQM3–SDQM0
CLKMEMOUT
CLKMEMIN
SCASB
–SCASA
SRASB–SRASA
SWEB
SWEA
MD31–MD0
SCS3
–SCS0
Page/Bnk
x5_addr[27–2]
MA Gen.
Control
x5_control
66-MHz PLL
Write Buffer
be3
–be0
x5_be[3–0]
data[31–0]
x5_data[31–0]
Read Buffer
ECC
Check
ECC
Gen.
x5_data[31–0]
33 MHz
BA1–BA0
Élan™SC520 Microcontroller
32 kHz
Interrupts

Table of Contents