EasyManua.ls Logo

AMD Elan SC520 - Locating the Connector on the Target System

AMD Elan SC520
444 pages
Print Icon
To Next Page IconTo Next Page
To Next Page IconTo Next Page
To Previous Page IconTo Previous Page
To Previous Page IconTo Previous Page
Loading...
AMDebug™ Technology
Élan™SC520 Microcontroller Users Manual 26-5
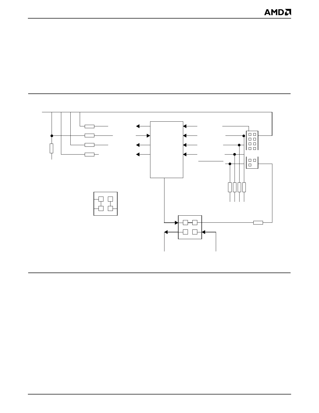
26.3.3 Locating the Connector on the Target System
Because the AMDebug port can contain high-frequency signals, position the connector as
close to the processor as possible. However, allowances should be made for the physical
requirements of the AMDebug control unit. For systems that support JTAG-based boundary
scanning, a jumper block should be provided for isolating from the rest of the JTAG scan
chain (see Figure 26-5) the connection from the AMDebug port to the processor. This
jumper is not required by systems that only use JTAG to support AMDebug technology.
When AMDebug technology debugging is not used, the jumpers can be set to connect the
processor with the other devices forming the scan chain.
Figure 26-5 Locating the Target Connector
The target board should be equipped with pullup and pulldown resistors, as shown in
Figure 26-5. The signal lines driven by the female cable connector should be three-stated
before connection is established. The connection device can sense the required high volt-
age by sampling the VCC signal pin before driving the AMDebug port.
JTAG_TCK
JTAG_TMS
JTAG_TDI
JTAG_TRST
SYSRESET
CMDACK
BR/TC
STOP/TX
TRIG/TRACE
JTAG_TDO
GND
10 k
33
33
33
10 k
VCC
Jumper setting when
not used for debugging
JTAG_TDI on next
chip in chain
JTAG_TDO on previous
chip in chain
ÉlanSC520
Microcontroller
Bus

Table of Contents