EasyManua.ls Logo

ST STM32F101xx - RTC Functional Description; Overview; Figure 179. RTC Simplified Block Diagram

ST STM32F101xx
1096 pages
Print Icon
To Next Page IconTo Next Page
To Next Page IconTo Next Page
To Previous Page IconTo Previous Page
To Previous Page IconTo Previous Page
Loading...
Real-time clock (RTC) RM0008
466/1096 Doc ID 13902 Rev 12
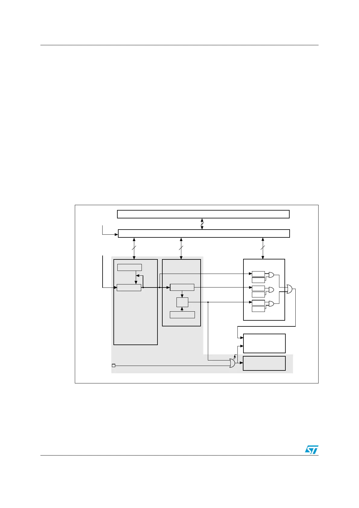
18.3 RTC functional description
18.3.1 Overview
The RTC consists of two main units (see Figure 179 on page 466). The first one (APB1
Interface) is used to interface with the APB1 bus. This unit also contains a set of 16-bit
registers accessible from the APB1 bus in read or write mode (for more information refer to
Section 18.4: RTC registers on page 469). The APB1 interface is clocked by the APB1 bus
clock in order to interface with the APB1 bus.
The other unit (RTC Core) consists of a chain of programmable counters made of two main
blocks. The first block is the RTC prescaler block, which generates the RTC time base
TR_CLK that can be programmed to have a period of up to 1 second. It includes a 20-bit
programmable divider (RTC Prescaler). Every TR_CLK period, the RTC generates an
interrupt (Second Interrupt) if it is enabled in the RTC_CR register. The second block is a
32-bit programmable counter that can be initialized to the current system time. The system
time is incremented at the TR_CLK rate and compared with a programmable date (stored in
the RTC_ALR register) in order to generate an alarm interrupt, if enabled in the RTC_CR
control register.
Figure 179. RTC simplified block diagram
32-bit programmable
=
Reload
APB1 interface
APB1 bus
NVIC interrupt
controller
OWF
rising
edge
counter
OWIE
SECF
SECIE
ALRF
ALRIE
Standby mode
exit
powered in Standby
powered in Standby
not powered in Standby
not powered in Standby
powered in Standby
not powered in Standby
Backup domain
RTC_PRL
RTC_DIV
RTC_CNT
ai14969b
PCLK1
RTCCLK
RTC_CR
RTC_ALR
WKUP pin
WKP_STDBY
RTC_Alarm
RTC_Alarm
RTC_Overflow
RTC_Second
TR_CLK
RTC prescaler

Table of Contents

Related product manuals